Sono fuori, sia di casa che di fuso orario (e anche come un balcone) e non sono riuscito a rispondere prima. Ovviamente ha ragione
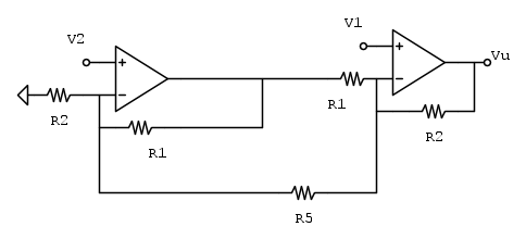
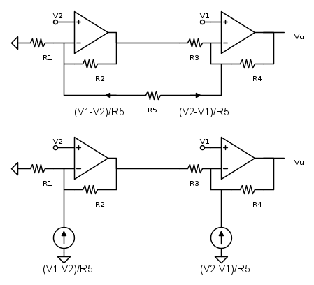
RenzoDF. Se si vuole che attraverso la stessa resistenza passi la stessa corrente, sulla resistenza ci deve essere la stessa tensione, quindi se si vuole sdoppiare la resistenza R5, il circuito deve essere
Interessante il tentativo di
MarkyMark, ma sfortunatamente hai massacrato l'elettrotecnica.
Se si vuole mantenere la tecnica proposta nel corso (peraltro un po' tricky), si puo` fare in due modi. Il primo piu` semplice ma che porta a conti piu` complicati, consiste nello sviluppare il circuito in questo modo:
Da notare che le tensioni che ho messo sulle due R5 sono V1 e V2, non la loro differenza. Se si usa la sovrapposizione degli effetti sui 4 contributi si trova il risultato corretto (con il termine 2 R2/R5).
In questo modo le amplificazioni diventano "difficili" da calcolare: ad esempio V1 che entra sul secondo operazionale viene amplificato di un fattore

. Calcolando (in modo complicato) i 4 contributi e sommandoli si ha il risultato corretto.
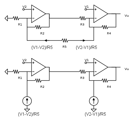
Oppure, modo con conti piu` facili, ma molto piu` difficile da vedere (don't try this at home) consiste nel vedere il circuito con R5 come il circuito senza R5 in cui pero` sui due nodi invertenti vengono sommate due correnti di valore (V1-V2)/R5 e (V2-V1)/R5. Il circuito e` il secondo qui sotto
Se in questo circuito si usa la sovrapposizione degli effetti si ottiene il risultato corretto. Se invece si usa il circuito equivalente del primo messaggio e si applica la sovrapposizione degli effetti (o anche i potenziali ai nodi), si ottiene il termine

che non e` corretto.
Per applicare correttamente il circuito equivalente del messaggio 1 bisogna fare un "cambio di contesto" del tipo dire che quando si considera la corrente attraverso R5 i due morsetti invertenti devono essere virtually at ground, cosa che e` opinabile, perche' i due morsetti sono a V2 e V1 e questo giustifica perche' con i nodi o la sovrapposizione degli effetti viene il risultato sbagliato.
Usando i generatori di corrente invece sembra che il circuito sia "giusto" si ha il risultato corretto con il metodo dei nodi o la sovrapposizione degli effetti, ma in realta` il punto critico e` la sostituzione di una resistenza con due generatori di corrente

Chi aveva suggerito il teorema dell'elemento aggiunto? Ci si puo` provare, togliendo R5. Il problema e` che bisogna calcolare due funzioni di trasferimento, Vu/V1 e Vu/V2, senza R5, poi si trova Zn e Zd senza R5
per ciascuna delle due funzioni di trasferimento e infine si calcola Vu/V1 e Vu/V2 aggiungendo R5.
Il guadagno di Vu/V1 e Vu/V2 senza R5 e` semplice, vale

.
Il calcolo di Zd e` lo stesso sia quando si cerca la funzione di trasferimento rispetto V1 che rispetto V2. Dallo schema si vede che...
...

da cui

per entrambe le funzioni di trasferimento. Per le Zn le cose diventano piu` complicate. Consideriamo V1. Nello schema ho messo in evidenza tutti i dati che si possono calcolare facilmente, alcuni ripetuti piu` volte per far vedere come vengono calcolati.
La tensione di uscita Vu dipende dalla corrente It, dalla tensione V1 e dalla tensione It R1 che arriva dal primo operazionale e comunque deve venire 0. Quando V1 e` tale che Vu=0 siamo in nulling double injection e la tensione ai capi di It, che e` proprio V1, permette di calcolare Zn1. La tensione Vu vale
[unparseable or potentially dangerous latex formula]
[unparseable or potentially dangerous latex formula]
da cui si ricava

e quindi l'impedenza Zn1 vale

Per l'altra funzione di trasferimento bisogna fare un conto analogo, e anche in questo caso bisogna trovare V2, dato che la Vt che ci interessa vale -V2. Analizzando il circuito in modo del tutto analogo a prima, dato che Vu=0 e l'ingresso non invertente del secondo operazionale e` nullo, anche l'ingresso invertente e` a potenziale nullo.
Quindi attraverso R2 del secondo operazionale non passa corrente, la It passa tutta attraverso R1 del secondo operazionale e quindi la tensione di uscita del primo operazionale deve essere -It R1.
La tensione di uscita del primo operazionale dipende da V2 e da It, in questo modo
[unparseable or potentially dangerous latex formula] da cui si ricava

e quindi

E ora si puo` applicare la formula dell'elemento aggiunto, ad esempio su V1 (l'altra e` uguale)
[unparseable or potentially dangerous latex formula]
Incredibile! Ancora lo stesso risultato!
In realta` l'ho fatta molto piu` lunga del necessario. Se si considera che il circuito non sente il modo comune si puo` considerare UN SOLO INGRESSO, che potrebbe essere V1 oppure V2, e quindi i conti sono quasi dimezzati.
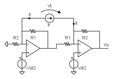
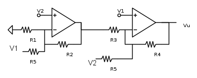
Se invece non si e` sicuri che il circuito non risenta del modo comune (ma dire una cosa del genere all'esame costa almeno due punti), si puo` applicare all'ingresso un segnale solo differenziale +Vd/2 e -Vd/2 e si trova un solo Zd e un solo Zn, visto che l'ingresso e` solo Vd. Che poi il segnale Vd sia applicato su due punti diversi, magari anche moltiplicato per una costante, non ha importanza, c'e` una sola variabile di ingresso. Il circuito completo e` il seguente
I conti da fare sono decisamente facili. L'amplificazione senza R5 e` quella con It=0 e vale

.
L'impedenza Zd e` quella vista da It quando Vd=0, gia` calcolata prima e vale

Rimane solo da calcolare

che e` l'impedenza vista da It quando anche Vd e` attivo e l'uscita Vu vale 0.
L'effetto di Vd su Vu e` quello visto prima. L'effetto di It su Vu, quando Vd=0 vale

, quindi la tensione totale Vu in doppia iniezione in generale vale

e deve essere nulla. Si ricava quindi Vd, che e` la tensione ai capi di It e si ha

e quindi

calcolata rispetto all'ingresso Vd e applicando la relazione del teo dell'elemento aggiunto si ha il guadagno differenziale solito, ma trovato molto piu` in fretta!