Che botta di nostalgia ad andare a vedere CQ elettronica del 1979, e ancora peggio andare a cercare di ricordare i parametri immagine! A parte che professionalmente non li ho mai usati, sono oltreoceano e i miei libri sono rimasti in Italia, per cui ho scartabellato in biblioteche locali per rinfrescarmi la memoria (in particolare Valkenburg, Network Analysis).
Una prima osservazione: l'equazione dei telegrafisti e` un parente dell'argomento, ma alla lontana, in quanto qui si parla di strutture concentrate mentre nell'eq. dei telegrafisti ci sono le linee, strutture distribuite e quindi equazione differenziali alle derivate parziali. Pero` se si mettono infinite celle a pi greco una dietro l'altra, qualche parametro sopravvive nel passare dal discreto al continuo: ad esempio l'impedenza immagine diventa l'impedenza caratteristica della struttura.
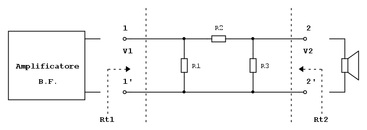
Come hai analizzato il circuito, con partitori, paralleli e legge di Ohm, va benissimo, in quanto il circuito e` solo resistivo. Ma questo e` solo un caso particolare del generico circuito a pi greco, in cui ogni elemento puo` essere una qualunque impedenza. In particolare nello studio teorico delle reti, le celle LC sono di fondamentale importanza perche' si fanno i filtri.
Quando si lavora sui filtri, la cosa importante, oltre alle impedenze di sorgente e di carico, e` la funzione di trasferimento che dice come viene trattata ogni singola frequenza, sia in modulo sia in fase. Viene quindi conveniente scrivere una funzione di trasferimento come [unparseable or potentially dangerous latex formula]. Nota che tutta questa roba qui non serve, dato che la rete si comporta nello stesso modo a tutte le frequenze.
Se scriviamo il modulo (che e` un numero reale positivo) come [unparseable or potentially dangerous latex formula] e anche [unparseable or potentially dangerous latex formula], otteniamo che la funzione di trasferimento puo` essere scritta come [unparseable or potentially dangerous latex formula] dove

, funzione della frequenza, rappresenta tutta la funzione di trasferimento, ma e` piu` facile da scrivere. In pratica la parte reale di

, vale a dire

e` l'attenuazione della rete, non in decibel ma in neper (giusto per non farsi mancare nulla), mentre

e` lo sfasamento in radianti della funzione di trasferimento.
In questo contesto, dove non c'e` di mezzo la fase, tutta la parte immaginaria dei conti non c'e`, e quindi e` tutto lavoro inutile. Le formule riportate su CQ Elettronica sono quelle derivate dal caso generico con impedenze RLC, in cui si elimina L e C e si lascia solo la parte resistiva.
Come diceva
MarcoD, in questo caso specifico, la x della formula, parente dell'attenuazione in neper, e` un logaritmo di un rapporto, e quando questo logaritmo va a finire nelle funzioni iperboliche, che sono combinazioni di eponenziali, i logaritmi e gli esponenziali si semplificano a vicenda e rimangono solo espressioni algebriche.
Quindi si e` partiti da una generica funzione di trasferimento, si sono fatti i conti per avere un "filtro" che non filtra in frequenza, e si sono ricavate, dalle relazioni generali, quelle riportate nella rivista.