Ciao a tutti avrei un problema che non capisco quando passo dal modello equivalente di Thevenin a quello di Norton.
In questo esercizio si chiede di trovare il modello equivalente di Thevenin e Norton:



Vi posto il circuito con i nomi che ho dato alle correnti e le tensioni sono prese seguendo la convenzione degli utilizzatori (non le ho segnate nel disegno perchè usciva troppo confusionario) e tutti i passaggi e cosi mi dite se per caso ho sbagliato qualcosa:


KCL al nodo in alto a sinistra: [unparseable or potentially dangerous latex formula]
Trovo allora: [unparseable or potentially dangerous latex formula]
KCL al nodo in basso a sinistra:

Ora trovo la caduta di tensione su R3:

KVL alla maglia "centrale":
[unparseable or potentially dangerous latex formula]
Riordinando:
[unparseable or potentially dangerous latex formula]
Quindi il modello equivalente di Thevenin è:
E l'equazione vale:
[unparseable or potentially dangerous latex formula]
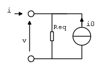
Mentre per Norton mi risulta:
Con equazione:
[unparseable or potentially dangerous latex formula]
Quello che vorrei sapere è che se l'avessi fatto con il metodo delle prove semplici avrei ottenuto thevenin uguale, ma poi per passare a Norton e trovare i0 avrei dovuto fare:

Quello che non capisco è come mai facendo in questo modo mi risulta un segno sbagliato per i0???