Grazie mille!
Allora (sempre in referimento alla figura del post 8), pongo

Riduco il circuito in questo modo:
Allora ho (equazione dei nodi):

(considero le correnti
entranti negative e quelle
uscenti positive)
I è l'intensità di corrente che scorre su Z3 e sul parallelo di Z1 e Z2.
Allora:
[unparseable or potentially dangerous latex formula]
Quindi:
[unparseable or potentially dangerous latex formula]
Ma

allora
[unparseable or potentially dangerous latex formula]
E trovo V0 .
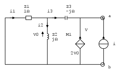
Ritorniamo ora al circuito di figura 8. Per trovare V devo applicare la legge di Kirchhoff alla maglia che comprende Z2, Z3 e il generatore di corrente controllato in tensione. Percorro la suddetta maglia in verso orario e quindi ho:

Ma, poiché

Ho [unparseable or potentially dangerous latex formula]