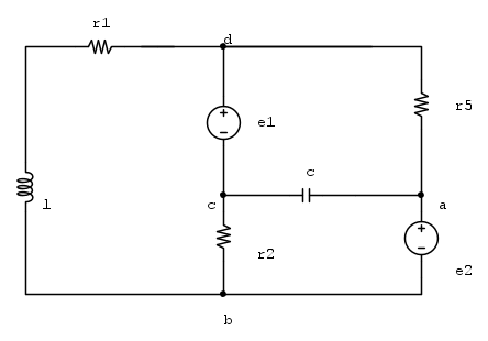
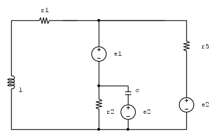
[quote="gac"]Lo puoi risolvere col metodo dei nodi, in particolare calcolando il potenziale

in figura
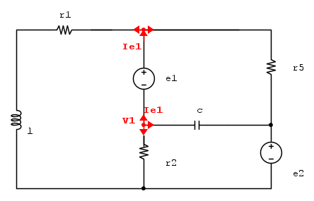
si può analizzare tutta la rete (in particolare come le correnti su ciascun ramo). Ho messo in evidenza anche la corrente del generatore

, che non andrà calcolata.
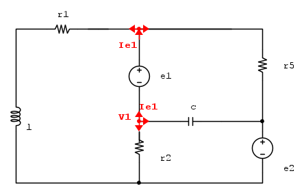
devi scrivere un sistema di due equazioni del tipo

Risolvendo il sistema si ottiene che
[unparseable or potentially dangerous latex formula]
Prodotti tensioni-ammettenze: check dimensionale verificato!
quindi
[unparseable or potentially dangerous latex formula]
Purtroppo devo andare quindi non posso al momento sostituire i valori nella formula.
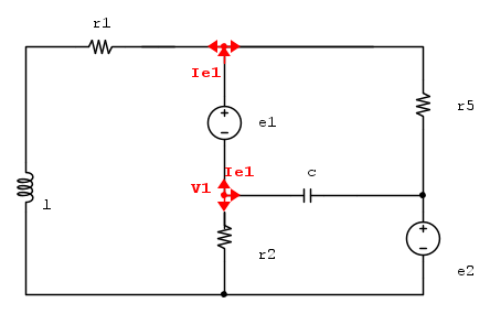
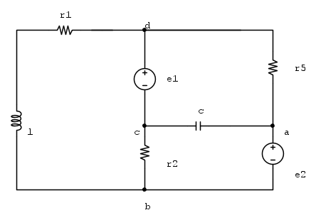
Puoi risolverlo anche con lo sdoppiamento del generatore di tensione

(un generatore in serie alla capacità un altro in serie a

, elettricamente separati) e modificando il disegno della rete in modo tale da calcolare

con Millman. Otterrai lo stesso risultato (se ho fatto bene i conti)

.