Amplificatore Operazionale
Salve a tutti,
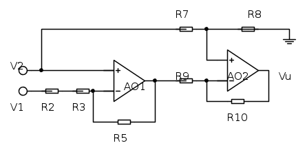
dovendo calcolare Vu(V1,V2) trovo nella soluzione dell'esercizio l'espressione di

ma mi sembra di troppo l'ultimo partitore, non dovrebbe essere semplicemente
.
o mi sbaglio?
Grazie.
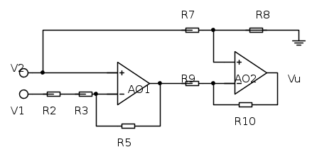
dovendo calcolare Vu(V1,V2) trovo nella soluzione dell'esercizio l'espressione di


ma mi sembra di troppo l'ultimo partitore, non dovrebbe essere semplicemente
.

o mi sbaglio?
Grazie.




