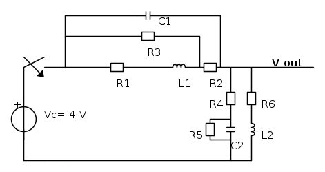
Risposta Vout
Salve a tutti,
Si richiede di trovare la risposta Vout Del Circuito per


Nelle soluzioni del prof, la risposta
per
è
, ovvero la tensione del generatore. Mentre per
l'equazione per Vout è la seguente:
= 
Francamente, è un ragionamento che non capisco.
Partiamo da
per
essendo che prima della commutazione correnti e tensioni negli elementi reattivi è zero.. essendo tensione continua, al condensatore va sostituito un circuito aperto ? e all'induttore un corto?
mentre per
l'opposto? però facendo l'opposto (sostituire il corto al condensatore ecc) non giustificherebbe il fatto di avere R6 nell'equazione risolvente in quanto andrebbe via perche in serie a un corto....
non capisco.......
Grazie a tutti!
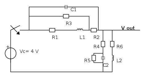
Si richiede di trovare la risposta Vout Del Circuito per


Nelle soluzioni del prof, la risposta
per
è
, ovvero la tensione del generatore. Mentre per
l'equazione per Vout è la seguente:
= 
Francamente, è un ragionamento che non capisco.
Partiamo da

per
essendo che prima della commutazione correnti e tensioni negli elementi reattivi è zero.. essendo tensione continua, al condensatore va sostituito un circuito aperto ? e all'induttore un corto? mentre per
l'opposto? però facendo l'opposto (sostituire il corto al condensatore ecc) non giustificherebbe il fatto di avere R6 nell'equazione risolvente in quanto andrebbe via perche in serie a un corto....non capisco.......
Grazie a tutti!
