Operazionali in cascata
Devo utilizzare qualche accorgimento particolare per collegare due o più operazionali in cascata?
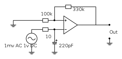
Devo realizzare un amplificatore con guadagno 100, ho pensato di utilizzare un passabasso attivo. Uno dei vincoli da rispettare è che la banda passante sia almeno 1Mhz. Con tale restrizione posso avere un guadagno intorno a 5
Avendo quindi un guadagno di 5 avevo pensato di metterne 3 in cascata (5*5*5=125) ma simulando con spice la banda passante si incasina di brutto e la tensione viene fortemente attenuata piuttosto che amplificata. Devo mettere qualche filtro tra un op amp e l'altro?
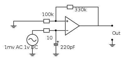
Devo realizzare un amplificatore con guadagno 100, ho pensato di utilizzare un passabasso attivo. Uno dei vincoli da rispettare è che la banda passante sia almeno 1Mhz. Con tale restrizione posso avere un guadagno intorno a 5
Avendo quindi un guadagno di 5 avevo pensato di metterne 3 in cascata (5*5*5=125) ma simulando con spice la banda passante si incasina di brutto e la tensione viene fortemente attenuata piuttosto che amplificata. Devo mettere qualche filtro tra un op amp e l'altro?

con degli operazionali comuni mi sembra irraggiungibile. Forse ce ne sono dei speciali, ed è poi da vedere se il tuo simulatore ne conosce il profilo.