Terminare scarica ad una data tensione
Un saluto a tutti, vi chiedo aiuto riguardo al seguente circuito:
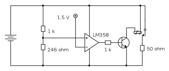
Il pacco batteria si scarica sulla resistenza da 50 Ω attraverso il relè. Avrei bisogno che una volta che la tensione della batteria giunge ai 7.6 V l'operazionale spenga il transistor e quindi il relè; la tensione di riferimento di 1.5 V la ottengo tramite il regolatore MCP1702, l'npn è un BC547.
Il problema è che l'operazionale sembra avere un guadagno di 1: ho bisogno che la tensione alla sua uscita cada "immediatamente" quando la tensione sul non invertente scende sotto gli 1.5 V, ma ciò non accade, anzi all'avvicinarsi di questo valore l'uscita scende molto lentamente verso massa, tanto che dopo -1 V di differenza agli ingressi ancora l'npn mantiene chiuso il relè (da 12 V).
Evidentemente ho delle conoscenze sbagliate, qualcuno saprebbe aiutarmi?
Il pacco batteria si scarica sulla resistenza da 50 Ω attraverso il relè. Avrei bisogno che una volta che la tensione della batteria giunge ai 7.6 V l'operazionale spenga il transistor e quindi il relè; la tensione di riferimento di 1.5 V la ottengo tramite il regolatore MCP1702, l'npn è un BC547.
Il problema è che l'operazionale sembra avere un guadagno di 1: ho bisogno che la tensione alla sua uscita cada "immediatamente" quando la tensione sul non invertente scende sotto gli 1.5 V, ma ciò non accade, anzi all'avvicinarsi di questo valore l'uscita scende molto lentamente verso massa, tanto che dopo -1 V di differenza agli ingressi ancora l'npn mantiene chiuso il relè (da 12 V).
Evidentemente ho delle conoscenze sbagliate, qualcuno saprebbe aiutarmi?

?