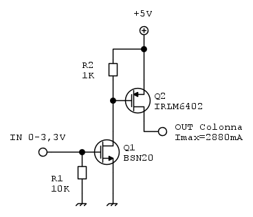
Pilotaggio anodi di un multiplexing con Mosfet.
Un saluto a tutti i partecipanti.
Realizzando un circuito che pilota LED tramite multiplexing mi sono imbattuto nel problema del "fantasma" dovuto al fatto che non riuscivo a far spegnere bene il driver degli anodi delle colonne. Il problema l' ho risolto prima da software (introducendo un ritardo) e poi ricalcolando i componenti dei driver degli anodi, driver che ho realizzato utilizzando transistor bipolari.
Non contento mi sono oggi esercitato nel cercare di trovare una soluzione alternativa utilizzando dei mosfet. In pratica ho il segnale che proviene dal micro che va da 0 a 3,3V e devo pilotare gli anodi collegati a 5V.
Ora, visto che non è mia abitudine utilizzare i mosfet chiedo il vostro parere su questo circuito e sul ragionamento che ho fatto per disegnarlo.
Parto da Q2, un IRLM6402.
La corrente massima impulsiva che deve potermi erogare è di 2880 mA e quindi rimango dentro le specifiche con Ta=70° perché il multiplexing avviene con rapporto di 1:6. Se prendessi come temperatura 25° ci starei dentro anche con corrente continua e non pulsante.
Verifico quindi la dissipazione di potenza impulsiva (RDSon = 0,065
con Vgs = -4,5V) che vale 0,34W e quindi inferiore a quella massima ammessa a 70° che vale 0,8 W.
Il problema è spegnere il mosfet con un tempo non superiore ad 1 us. Dal datasheet, nel caso peggiore, mi trovo con una capacità d' ingresso di 633 pF. Per avere una costante di tempo di 1 us dovrei collegare una resistenza a 1579
. Con una resistenza da 1K quindi dovrei essere al sicuro e garantirmi lo spegnimento entro 1us.
Q1 è un BSN20 e secondo il datasheet con una corrente di 10mA ed una tensione VGS di 2,5V la RDSon vale al massimo 30
. Quando è saturato la corrente di drain vale 5mA e quindi cadrebbero fra drain e source 0,15V.
La capacità d' ingresso vale al massimo 15 pF che, con una resistenza da 10K da una costante di tempo di 150 ns. quindi dovrebbe essere sufficiente a spegnerlo anche nel caso in cui l' uscita del micro fosse debole.
Spero di non aver preso lucciole per lanterne.
Realizzando un circuito che pilota LED tramite multiplexing mi sono imbattuto nel problema del "fantasma" dovuto al fatto che non riuscivo a far spegnere bene il driver degli anodi delle colonne. Il problema l' ho risolto prima da software (introducendo un ritardo) e poi ricalcolando i componenti dei driver degli anodi, driver che ho realizzato utilizzando transistor bipolari.
Non contento mi sono oggi esercitato nel cercare di trovare una soluzione alternativa utilizzando dei mosfet. In pratica ho il segnale che proviene dal micro che va da 0 a 3,3V e devo pilotare gli anodi collegati a 5V.
Ora, visto che non è mia abitudine utilizzare i mosfet chiedo il vostro parere su questo circuito e sul ragionamento che ho fatto per disegnarlo.
Parto da Q2, un IRLM6402.
La corrente massima impulsiva che deve potermi erogare è di 2880 mA e quindi rimango dentro le specifiche con Ta=70° perché il multiplexing avviene con rapporto di 1:6. Se prendessi come temperatura 25° ci starei dentro anche con corrente continua e non pulsante.
Verifico quindi la dissipazione di potenza impulsiva (RDSon = 0,065
con Vgs = -4,5V) che vale 0,34W e quindi inferiore a quella massima ammessa a 70° che vale 0,8 W.Il problema è spegnere il mosfet con un tempo non superiore ad 1 us. Dal datasheet, nel caso peggiore, mi trovo con una capacità d' ingresso di 633 pF. Per avere una costante di tempo di 1 us dovrei collegare una resistenza a 1579
. Con una resistenza da 1K quindi dovrei essere al sicuro e garantirmi lo spegnimento entro 1us.Q1 è un BSN20 e secondo il datasheet con una corrente di 10mA ed una tensione VGS di 2,5V la RDSon vale al massimo 30
. Quando è saturato la corrente di drain vale 5mA e quindi cadrebbero fra drain e source 0,15V.La capacità d' ingresso vale al massimo 15 pF che, con una resistenza da 10K da una costante di tempo di 150 ns. quindi dovrebbe essere sufficiente a spegnerlo anche nel caso in cui l' uscita del micro fosse debole.
Spero di non aver preso lucciole per lanterne.

