CD 4093 (C-mos)
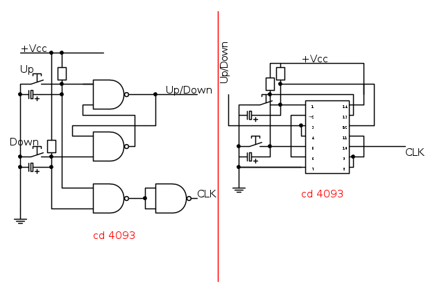
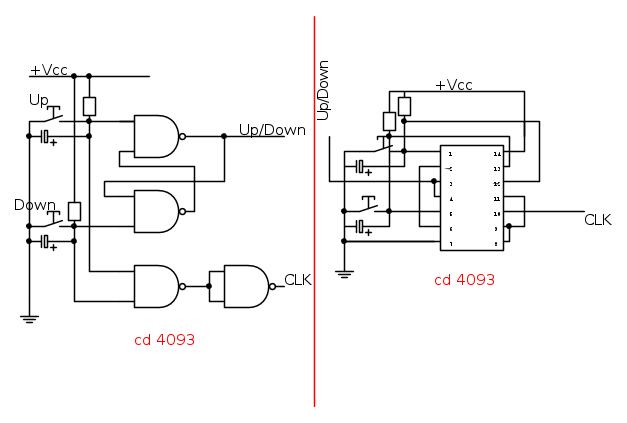
Salve a tutti...in giro per i forum ho trovato questo schema (SINISTRA)...lo riportato per come dovrebbe essere collegato tra i pin dell'integrato...(destra) lo riportato in modo corretto? grazie anticipatamente
La comunità del mondo elettrico: elettronica, elettrotecnica, impianti, pic, plc, automazione
https://www.electroyou.it/forum/
Si vorrei iniziare così...per poi modificare il tutto e utilizzare solo il pulsante per l'incremento e un'oscillatore per decrementare...Esempio...incremento la cifra sul display tipo " 43 " e poi faccio partire il conto alla rovescia mandando il clock per il decremento.marco438 ha scritto:In pratica, quindi, vorresti costruire un contatore up/down senza un generatore di clock e che sia comandato da pulsanti?
Hai ragione,era piu una cosa mia pensavo che cominciando dai due pulsanti mi veniva poi semplice applicare un Oscillatore al pulsante di decremento...marco438 ha scritto:E allora perche' non lo fai subito con un oscillatore?
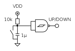
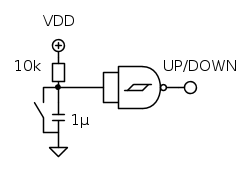
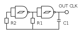
gohan ha scritto:Il flip flop SR non ti serve per l'UP/DOWN. Ti basta un circuito così:
[...]
E che lo switch non sia a push button.
carlomusumeci ha scritto:non è possibile utilizzare per lo stesso scopo IC 4093 ?

