Problema Circuito
Una serie di eventi sfortunati e un po' di disattenzione mi hanno causato alcuni problemi,
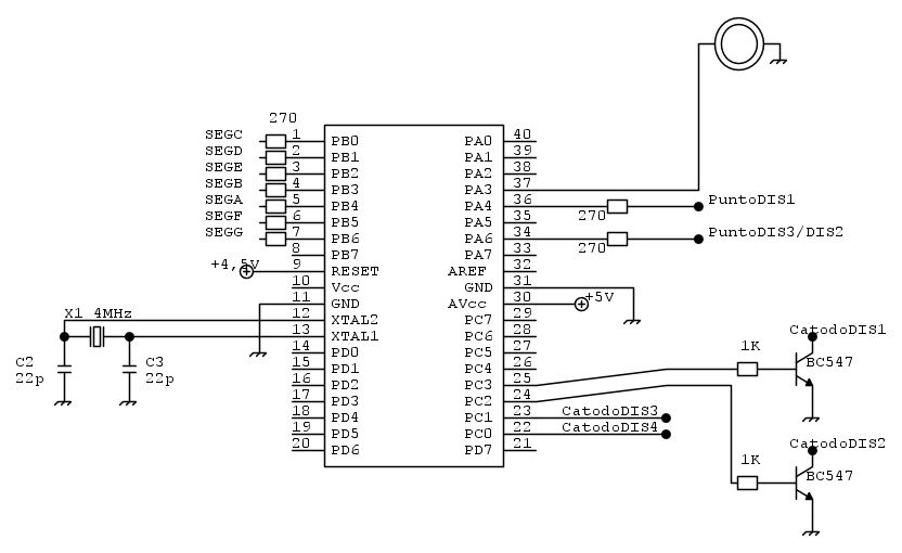
alimentando la breadboard in un punto sbagliato, praticamente ho collegato l'alimentatore "dopo il 7805"
ovviamente ho visto tutto spegnersi, e credo di aver bruciato il micro.
1)come posso testare il funzionamento del micro?
qui entrano in gioco gli eventi sfortunati, mi è caduto il PC dal tavolo e ora AVR studio sembra non funzionare più, non riesco nenache più a connettere l'stk500 (perfettamete funzionante) al PC
2)
Ho sostituito il microcontrollore, ho sostituito i transistor e i display funzionano...
faccio una premessa, prima che tutto ciò accadesse, in uscita dal circuito di alimentazione (7805 per intenderci) avevo 4,5V, e li avevo anche in ogni punto di alimentazione delle breadboard (sono 3),
ora praticamente ho 4 volt ed il 7805 inizia a scaldare molto, cosa che prima non faceva assolutamente, aggiungo che ho anche sostituito tutti i componenti del circuito di alimentazione (avevo un altro circuito funzionante su millefori)
Qualche consiglio su come capire dove sta il problema?
alimentando la breadboard in un punto sbagliato, praticamente ho collegato l'alimentatore "dopo il 7805"
ovviamente ho visto tutto spegnersi, e credo di aver bruciato il micro.
1)come posso testare il funzionamento del micro?
qui entrano in gioco gli eventi sfortunati, mi è caduto il PC dal tavolo e ora AVR studio sembra non funzionare più, non riesco nenache più a connettere l'stk500 (perfettamete funzionante) al PC
2)
Ho sostituito il microcontrollore, ho sostituito i transistor e i display funzionano...
faccio una premessa, prima che tutto ciò accadesse, in uscita dal circuito di alimentazione (7805 per intenderci) avevo 4,5V, e li avevo anche in ogni punto di alimentazione delle breadboard (sono 3),
ora praticamente ho 4 volt ed il 7805 inizia a scaldare molto, cosa che prima non faceva assolutamente, aggiungo che ho anche sostituito tutti i componenti del circuito di alimentazione (avevo un altro circuito funzionante su millefori)
Qualche consiglio su come capire dove sta il problema?
