Dubbio specchio di corrente
a tutti,volevo chiarimento sullo specchio di corrente: se io ho i miei due transistor che hanno un
differente, per esempio
le correnti di collettore rimangono sempre uguali? Cambiano solo le correnti di base?La comunità del mondo elettrico: elettronica, elettrotecnica, impianti, pic, plc, automazione
https://www.electroyou.it/forum/
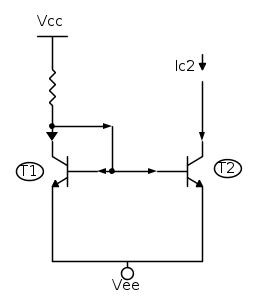
a tutti,
differente, per esempio
le correnti di collettore rimangono sempre uguali? Cambiano solo le correnti di base?
non dalla
. Se i collettori hanno la stessa area, stessa temperatura e stessa
(e questo e` il punto critico), allora le correnti sono uguali perche' 
sono uguali per connessione e quindi
e scrivendo una equazione al nodo di collettore di T1 si ha 
da cui 
abbastanza diverso, possono avere la stessa
?
con
?