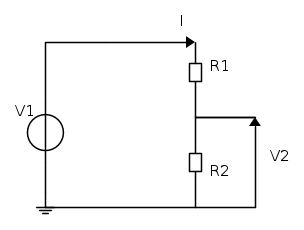
partitore di tensione e partitore di corrente
Buonasera a tutti ragazzi,da poco a scuola il nostro proff ci sta faccendo studiare i partitori di corrente e di tensione,per comprenderci meglio ho fatto su fidocadj il circuito:
sul mio libro di testo viene riportata la formula

che sono riuscito a dimostrare con questti passaggi
(tensione applicata sul punto R1)
V= R* I quindi
V= R1*I + R2*I
siccome I= V(R
I= V/ R1+R2
V1= V * R1/ R1+R2
V= (V * R1/ R1+R2) + (V* R2/R1+R2)
da cui quindi V2 = V* R2/ R1 + R2[/tex]
fin qui tutto ok,ma il mio libro riporta la formula

non riesco a trovare spegazione,qualcuno può aiutarmi?
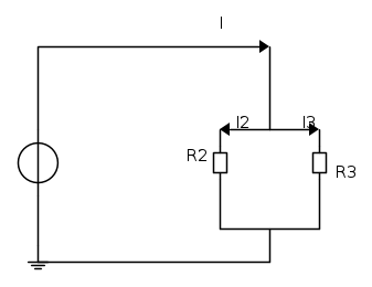
Ho anche un piccolo problema con il partitore di corrente,di cui riporto lo schema:
Nel libro viene riportata la formula

il mio libro riporta (essendo 2 in parallelo) la formula della resistenza equivalente
(in riferimento allo schema del partitore di corrente)
ma non ho capito come arriva al I2 e all' I3,riporta anche la formula della tensione

e anche questa l'ho capita,ma non riesco più ad andare avanti,potete aiutarmi?
dopo aver fatto tutti i calcoli volevo anche provare a vedere se sono riuscito a fare bene i calcoli ricostruendo un circuito e testandolo con un multimetro.
sul mio libro di testo viene riportata la formula

che sono riuscito a dimostrare con questti passaggi
(tensione applicata sul punto R1)V= R* I quindi
V= R1*I + R2*I
siccome I= V(R
I= V/ R1+R2
V1= V * R1/ R1+R2
V= (V * R1/ R1+R2) + (V* R2/R1+R2)
da cui quindi V2 = V* R2/ R1 + R2[/tex]
fin qui tutto ok,ma il mio libro riporta la formula

non riesco a trovare spegazione,qualcuno può aiutarmi?
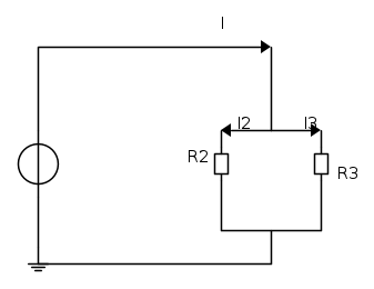
Ho anche un piccolo problema con il partitore di corrente,di cui riporto lo schema:
Nel libro viene riportata la formula

il mio libro riporta (essendo 2 in parallelo) la formula della resistenza equivalente
(in riferimento allo schema del partitore di corrente)ma non ho capito come arriva al I2 e all' I3,riporta anche la formula della tensione

e anche questa l'ho capita,ma non riesco più ad andare avanti,potete aiutarmi?
dopo aver fatto tutti i calcoli volevo anche provare a vedere se sono riuscito a fare bene i calcoli ricostruendo un circuito e testandolo con un multimetro.


















, che non ha senso, ma così 
, che non ha senso, ma così


, che non ha senso, ma così 
, che non ha senso, ma così 


