Miglior schema per N MOS driving
Ciao!
Mi chiedevo quale fosse il "miglior" driver per pilorate un MOS di potenza, magari che lavora in switching.
Questo considerando di avere la tensione di pilotaggio di 0-5V (tipo da microprocessore), ma un N-MOS che va "acceso" con una Vgs di valore uguale o superiore a 5V.
In più va acceso con una bella corrente per poter lavorare in commutazione.
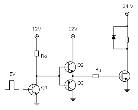
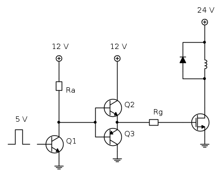
A me verrebbe da buttare giù una cosa cosi:
Q1 insieme a Ta permettono di pilotare il totem pole tra 0 e 12V. Ra non deve necessariamente essere piccola perché deve solo garantire la corrente in base a Q2 che è i1/betesimo di quella che mi servirà per accendere il MOS.
La correntona che carica e scarica la Cgs del MOS è fornita o succhiata da Q2 e Q3 i quali sono anche alimentati a 12V cosi da essere sicuri di superare Vgs soglia.
A questo punto Rg decide il tempo di ON e OFF del MOS.
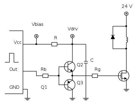
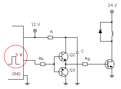
Però in rete Vedi qui si trova anche uno schema fatto cosi (ridisegno in Fidocad come si trova nel documento a pag 12):
Sinceramente questo non capisco molto come funziona. R a cosa serve? Se Vdrv è più alto di Vcc (che immagino sia la tensione che ho a disposizione per accendere il MOS), come faccio ad accendere Q2?
Boh!
Ciao
Stefano
Mi chiedevo quale fosse il "miglior" driver per pilorate un MOS di potenza, magari che lavora in switching.
Questo considerando di avere la tensione di pilotaggio di 0-5V (tipo da microprocessore), ma un N-MOS che va "acceso" con una Vgs di valore uguale o superiore a 5V.
In più va acceso con una bella corrente per poter lavorare in commutazione.
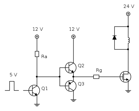
A me verrebbe da buttare giù una cosa cosi:
Q1 insieme a Ta permettono di pilotare il totem pole tra 0 e 12V. Ra non deve necessariamente essere piccola perché deve solo garantire la corrente in base a Q2 che è i1/betesimo di quella che mi servirà per accendere il MOS.
La correntona che carica e scarica la Cgs del MOS è fornita o succhiata da Q2 e Q3 i quali sono anche alimentati a 12V cosi da essere sicuri di superare Vgs soglia.
A questo punto Rg decide il tempo di ON e OFF del MOS.
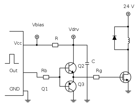
Però in rete Vedi qui si trova anche uno schema fatto cosi (ridisegno in Fidocad come si trova nel documento a pag 12):
Sinceramente questo non capisco molto come funziona. R a cosa serve? Se Vdrv è più alto di Vcc (che immagino sia la tensione che ho a disposizione per accendere il MOS), come faccio ad accendere Q2?
Boh!
Ciao
Stefano




