Re: schema circuitale

Inviato:
28 nov 2012, 20:09
da angrigio
Il circuito ha una tensione Vo di - 6V e una corrente Io di 5mA.
Per calcolare questi risultati ho applicato il principio di sovrapposizione degli effetti , mentre il testo riporta una soluzione piu' semplice.
Re: schema circuitale

Inviato:
28 nov 2012, 21:23
da angrigio
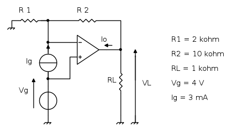
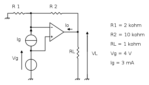
Ho calcolato la corrente I2 e la tensione Vo considerando i singoli effetti dei generatori di corrente e tensione applicati al circuito.
In questo circuito la corrente I2 ,calcolata con l'effetto del solo generatore di corrente e' pari a Ig ,mentre per la Vo e' = -I2*R2 o _Ig*R2
Re: schema circuitale

Inviato:
28 nov 2012, 21:39
da angrigio
Con il solo effetto di Vg il circuito e' un amplificatore non invertente .Ho calcolato Vo e I2 come si puo' vedere
![\[Vo =\left ( \frac{R2}{R1}+1 \right )*Vg = \left ( \frac{10}{2}+1\right )*4=24 V;
I2=\frac{Vg-Vo}{R2}=\frac{4-24}{10}= -2mA\] \[Vo =\left ( \frac{R2}{R1}+1 \right )*Vg = \left ( \frac{10}{2}+1\right )*4=24 V;
I2=\frac{Vg-Vo}{R2}=\frac{4-24}{10}= -2mA\]](/forum/latexrender/pictures/ad3f1cadb019217cc5796e453e1ac53c.png)
Re: schema circuitale

Inviato:
28 nov 2012, 21:46
da RenzoDF
Visto che lontano dalla saturazione v+ è uguale a v- , ne segue che in R1 scorrerà una corrente pari a 2 mA e di conseguenza, per la KCL al nodo, solo 1 mA scorrerà verso destra in R2, portando l'uscita ad essere 10 volt inferiore al potenziale di v-
vo=4-10=-6 V
in RL scorreranno quindi 6 mA verso l'alto che sommati al mA in arrivo da R2 daranno una corrente
io=-6+1=7 mA.