Esercizio Op Amp
Buongiorno a tutti ;
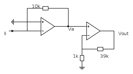
" Dato il seguente circuito , determinare il valore della corrente Ii in modo che Vout = -1V "
" Dato il seguente circuito , determinare il valore della corrente Ii in modo che Vout = -1V "
La comunità del mondo elettrico: elettronica, elettrotecnica, impianti, pic, plc, automazione
https://www.electroyou.it/forum/

in funzione di
e poi trova il guadagno
.topo1 ha scritto:Ragazzi scusate ho qualche difficoltà..