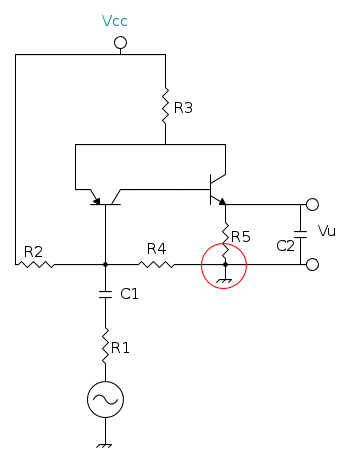
Analisi statica con transistor
EY,dovrei eseguire l'analisi statica del seguente circuito calcolando le correnti
e le tensioni
e 
Facendo l'analisi statica del circuito tutti i condensatori sono dei circuiti aperti, quindi la corrente uscente dal generatore
dove si "raccoglie" se c'è il condensatore
, prima della massa, non fa passare le correnti continue?

