Un generatore di tensione (visto che parliamo di riferimenti) ha sempre "due poli", questo rispecchia la definizione di tensione, che nel tuo caso è una differenza di potenziale tra i due capi. Per il generatore di esempio seguente
avrai che la tensione

vale:

Dove

è una linea interna al generatore sede del campo non conservativo

.
Si tratta di un integrale tra due estremi, non di un flusso attraverso una superficie o altro. La tensione è una differenza di potenziale e l'unica cosa che puoi sapere è che andando lungo la suddetta linea

arrivi in un punto che rispetto a quello iniziale ha un potenziale
maggiore di una quantità
rispetto al punto di partenza.
In conclusione: se vuoi rappresentare un generatore con una forza elettromotrice impressa di 12 V, devi
riferire a "massa" (che poi si chiama potenziale di riferimento) un nodo del circuito, e di solito si utilizza il didietro di un generatore di tensione, magari quello che alimenta tutto il circuito. Per due generatori in serie da 12 V, ad esempio, possiamo scegliere il riferimento a potenziale nullo alla base di uno dei due, per poi avanzare lungo i due lati trovando alla fine del viaggio 24 V (rispetto al potenziale nullo!); scegliendo il riferimento in mezzo ai due (nessuno ce lo vieta), all'inizio troveremo -12 V (rispetto al riferimento), e 12 V alla fine. Questo vale poiché tutti i valori sono
differenze di potenziale
rispetto a qualcosa. Nello studio di un circuito fa però comodo avere un riferimento per potere svolgere calcoli più agilmente (e per avere le idee chiare), questo però non significa che sia necessario. Applicando le leggi di Kirchhoff ad una rete esprimendo i termini noti come differenze di potenziale e basta, il risultato è comunque definito (se i termini noti e le leggi di bipolo sono sufficienti).
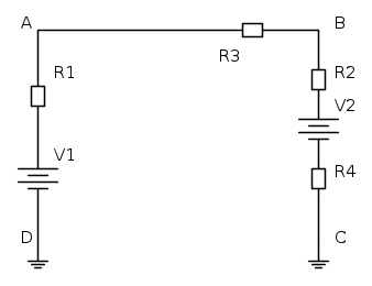
Ponendo il riferimento al nodo D del tuo circuito, esso è rappresentabile quindi così: