Pagina 1 di 3
Dubbio su PIC by Example

Inviato:
4 gen 2013, 22:30
da kotek

EY,
stavo leggendo la seguente guida
PIC By Example e mi è sorto un dubbio a pag. 3, quando dice: "
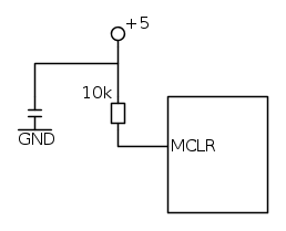
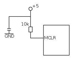
Il pin MCLR (pin 4) serve per poter effettuare il reset del PICmicro. Normalmente viene mantenuto
a 5 volt tramite la resistenza di pull up R1 e messo a zero quando si desidera resettare il PICmicro."
Non capisco come faccia R1 a mantenere tale tensione a 5 volt...
Re: Dubbio su PIC by Example

Inviato:
4 gen 2013, 22:49
da simo85
La
resistenza di pull-up serve per mantenere lo stato logico alto o basso a seconda dell'esigenza.
Il pin è configurato come input, e la resistenza di Gate di input del MOSFET interno della rispettiva porta logica interna del pin è molto alta, praticamente non circola corrente quindi si mantiene il valore di tensione.
Re: Dubbio su PIC by Example

Inviato:
4 gen 2013, 22:57
da kotek
Quindi la resistenza di gate interna è molto alta quindi la tensione sul pin MCLR è circa pari a Vcc, ma quando voglio portare il pin a 0 volt cosa cambia?
Re: Dubbio su PIC by Example

Inviato:
4 gen 2013, 23:01
da simo85
kotek ha scritto:ma quando voglio portare il pin a 0 volt cosa cambia?
Lo stato logico di input e quello di output della porta logica del pin.
Per un esempio chiaro, vedi
QUESTO datasheet del PIC16F882/883/884/886/887, pag. 62 schema interno del pin RE3/MCLR/Vpp.
Re: Dubbio su PIC by Example

Inviato:
4 gen 2013, 23:11
da kotek
Non riesco a capire però, nel circuito nel link che ho postato io, come può essere portato a massa il pin MCLR se è collegato solo alla R1?
Re: Dubbio su PIC by Example

Inviato:
4 gen 2013, 23:20
da simo85
Purtoppo non riesco ad aprire il PDF da questo computer causa problemi di Adobe..
Se c'è solo la resistenza di pull-up, non è possibile se non con un cortocircuito "volante" tra il pin e GND.
Tra l'altro la resistenza non è detto che serva, vedi anche sempre a pag. 62 del datasheet prima linkato:
RE3/MCLR/VPP
Figure 3-22 shows the diagram for this pin. This pin is
configurable to function as one of the following:
• a general purpose input
• as Master Clear Reset with weak pull-up
Re: Dubbio su PIC by Example

Inviato:
4 gen 2013, 23:26
da kotek
Questo è lo schema per quanto riguarda il pin MCLR che c'è nel PDF.
Purtroppo non capisco tanto lo schema che mi hai detto di guardare tu nel datasheet, poiché sono alle prime armi, cosa è la MCLRE?
Re: Dubbio su PIC by Example

Inviato:
4 gen 2013, 23:28
da simo85
OK, ad ogni modo la risposta alla tua domanda
kotek ha scritto:Non capisco come faccia R1 a mantenere tale tensione a 5 volt...
è stata data al messaggio [2].
Re: Dubbio su PIC by Example

Inviato:
4 gen 2013, 23:29
da simo85
kotek ha scritto:Purtroppo non capisco tanto lo schema che mi hai detto di guardare tu nel datasheet, poiché sono alle prime armi, cosa è la MCLRE?
MCLRE è
Master Clear Reset Enable.
È il bit di abilitazione (
enable) del Master Reset.
Re: Dubbio su PIC by Example

Inviato:
4 gen 2013, 23:31
da kotek
Scusami se insisto, allora la resistenza di gate è molto alta quindi scorrendo poca corrente la tensione sul MCRL p circa pari a +5 V, quando però voglio portare il pin a zero volt, come faccio? cioè non c'è nessun interruttore, questa resistenza di gate poi, varia?