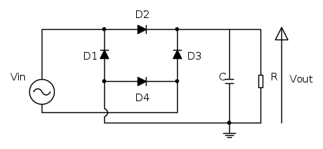
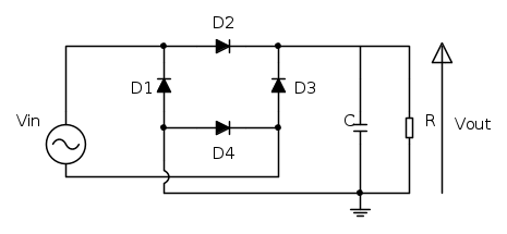
Circuito raddrizzatore a Ponte di Graetz
Ancora una volta propongo un esercizio nella speranza che mi possiate aiutare,i calcoli e le formule mi sono chiare solo che mi è richiesto con precisione di fare i grafici delle tensioni e delle correnti identificando i punti principali,quindi vi chiedo se gentilmente potete aiutarmi in questo.
Sia dato un circuito raddrizzatore a doppia semionda impiegante un ponte di graetz dotato di diodi al silicio caratterizzati da una tensione diretta di 0,8V. Esso è alimentato ,a partire da t=0, con una tensione sinusoidale con valore di picco Vm=7V e una frequenza di oscillazione di 50 Hz;deve fornire l’alimentazione ad un carico caratterizzato da una resistenza di RL= 100 ohm
Trovare il valore della capacità del condensatore di livellamento (inizialmente scarico) in grado di limitare il valore della tensione di ripple al 3% del valore massimo di uscita.
Tracciare i grafici delle tensioni e correnti per almeno due cicli (a partire da t=0) individuandone i punti notevoli.
Soluzione da me proposta:
Durante la semionda positiva conducono D2 e D4 in quella negativa gli altri 2 diodi.

conseguentemente il valore della tensione di ripple vale:

la tensione minima risulta:

e la tensione media:
cui corrisponde una corrente media di:
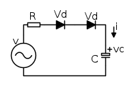
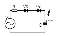
poiché il valore della tensione di ripple è molto piccolo ho approssimato la scarica come lineare e la carica come istantanea.
Fatte queste assunzioni posso calcolare in modo semplice il valore del condensatore:

con
è intervallo di scarica,nel caso in questione
e
il valore della tensione di ripple.
Effettuado il calcolo si ottiene:

Ora per tracciare i grafici ho fatto i seguenti calcoli:
tempo di prima accensione del diodo D2 e D4:

approssimo l'istante di interdizione dei diodi con il raggiungimento el massimo della sinusoide (approssimazione usata per via del ripple così basso) e ricavo il tempo di scarica che è circa 9.316ms
l'istante di massima corrente nei diodi al primo ciclo l'ho calcolata con:
con 
essendo:
ricavo:

![I_R(t)=\frac{1}{R} \cdot [V_Msin (\omega t)-2 \cdot V_k] I_R(t)=\frac{1}{R} \cdot [V_Msin (\omega t)-2 \cdot V_k]](/forum/latexrender/pictures/8a82f9c72bb91a7b9c2d674c509301ee.png)
![\frac{d I_D(t)}{dt}= C \cdot \omega^2 \cdot V_Msin (\omega t) + \frac{1}{R} \cdot [\omega \cdot V_Mcos (\omega t)] \frac{d I_D(t)}{dt}= C \cdot \omega^2 \cdot V_Msin (\omega t) + \frac{1}{R} \cdot [\omega \cdot V_Mcos (\omega t)]](/forum/latexrender/pictures/b4ddd033f69c405ab70a077c14247270.png)
pongo l'espressione uguale a zero per il calcolo di
da cui:
poiché
è inferiore a
il massimo della corrente lo ho per 
e il valore corrispondente della corrente risulta:
I calcoli che ho eseguito sono tutti quelli che ho scritto a volte ometendo qualche passaggio intermedio per velocizzare la mia scrittura,ma i calcoli finali sono tutti presenti.
Nel caso avessi scordato qualche calcolo ve ne sarei grato se me lo poteste segnalare.
Che andamenti in corrente e tensione ha senso rappresentare? o meglio di quale componente?
Ricordo che il grafico lo devo costruire in modo dettagliato a mano e quindi i punti delle correnti devono essere calcolabili a mano con calcolatrice.
Vi ringrazio già in anticipo per il vostro aiuto.
Sia dato un circuito raddrizzatore a doppia semionda impiegante un ponte di graetz dotato di diodi al silicio caratterizzati da una tensione diretta di 0,8V. Esso è alimentato ,a partire da t=0, con una tensione sinusoidale con valore di picco Vm=7V e una frequenza di oscillazione di 50 Hz;deve fornire l’alimentazione ad un carico caratterizzato da una resistenza di RL= 100 ohm
Trovare il valore della capacità del condensatore di livellamento (inizialmente scarico) in grado di limitare il valore della tensione di ripple al 3% del valore massimo di uscita.
Tracciare i grafici delle tensioni e correnti per almeno due cicli (a partire da t=0) individuandone i punti notevoli.
Soluzione da me proposta:
Durante la semionda positiva conducono D2 e D4 in quella negativa gli altri 2 diodi.

conseguentemente il valore della tensione di ripple vale:

la tensione minima risulta:

e la tensione media:

cui corrisponde una corrente media di:

poiché il valore della tensione di ripple è molto piccolo ho approssimato la scarica come lineare e la carica come istantanea.
Fatte queste assunzioni posso calcolare in modo semplice il valore del condensatore:

con
è intervallo di scarica,nel caso in questione
e
il valore della tensione di ripple.Effettuado il calcolo si ottiene:

Ora per tracciare i grafici ho fatto i seguenti calcoli:
tempo di prima accensione del diodo D2 e D4:


approssimo l'istante di interdizione dei diodi con il raggiungimento el massimo della sinusoide (approssimazione usata per via del ripple così basso) e ricavo il tempo di scarica che è circa 9.316ms
l'istante di massima corrente nei diodi al primo ciclo l'ho calcolata con:
con 
essendo:
ricavo:
![I_R(t)=\frac{1}{R} \cdot [V_Msin (\omega t)-2 \cdot V_k] I_R(t)=\frac{1}{R} \cdot [V_Msin (\omega t)-2 \cdot V_k]](/forum/latexrender/pictures/8a82f9c72bb91a7b9c2d674c509301ee.png)
![\frac{d I_D(t)}{dt}= C \cdot \omega^2 \cdot V_Msin (\omega t) + \frac{1}{R} \cdot [\omega \cdot V_Mcos (\omega t)] \frac{d I_D(t)}{dt}= C \cdot \omega^2 \cdot V_Msin (\omega t) + \frac{1}{R} \cdot [\omega \cdot V_Mcos (\omega t)]](/forum/latexrender/pictures/b4ddd033f69c405ab70a077c14247270.png)
pongo l'espressione uguale a zero per il calcolo di

da cui:

poiché
è inferiore a
il massimo della corrente lo ho per 
e il valore corrispondente della corrente risulta:

I calcoli che ho eseguito sono tutti quelli che ho scritto a volte ometendo qualche passaggio intermedio per velocizzare la mia scrittura,ma i calcoli finali sono tutti presenti.
Nel caso avessi scordato qualche calcolo ve ne sarei grato se me lo poteste segnalare.
Che andamenti in corrente e tensione ha senso rappresentare? o meglio di quale componente?
Ricordo che il grafico lo devo costruire in modo dettagliato a mano e quindi i punti delle correnti devono essere calcolabili a mano con calcolatrice.
Vi ringrazio già in anticipo per il vostro aiuto.




e risolverla
e
, utilizzando ad es.
di 10us e si è fissata Vd a 0.8V.