problema con multiplexing led MAX7219
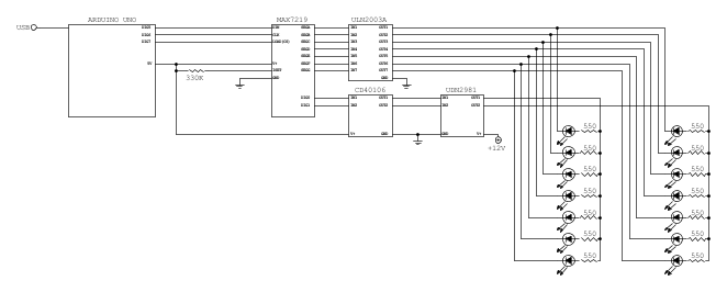
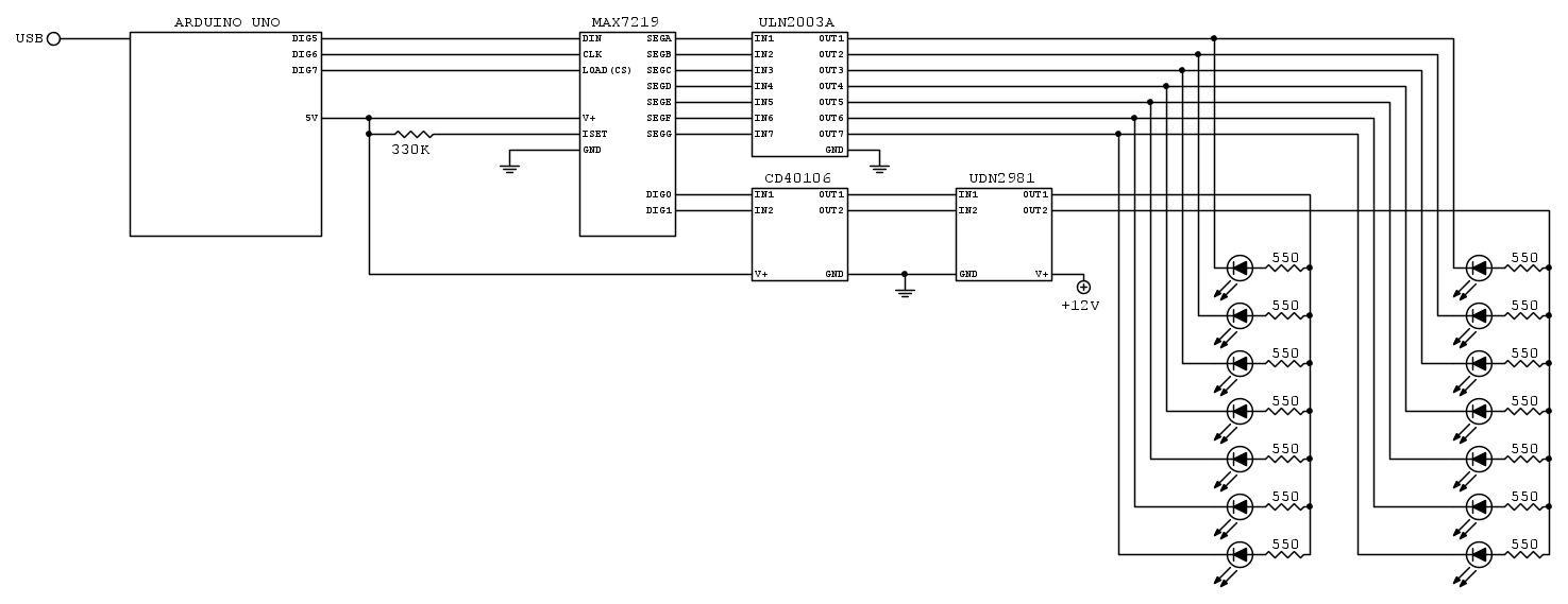
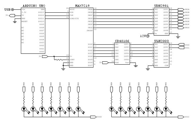
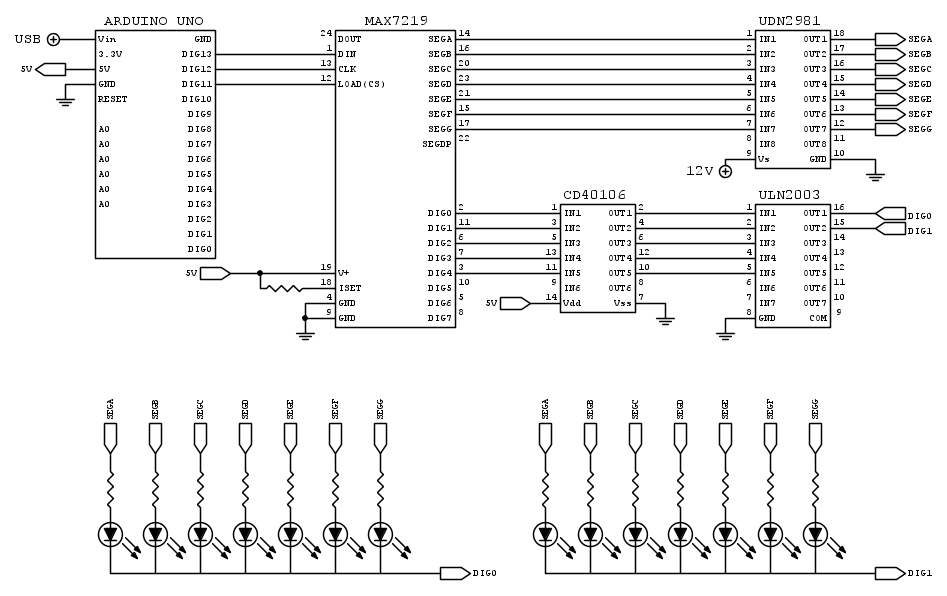
Buongiorno a tutti, mi trovo a dover testare il circuito in figura con l'intento di pilotare in multiplexing dei led (singoli nel test ma in serie nel progetto reale), attraverso l'Arduino, un MAX7219 e dei darlington per poter alimentarli con 12V. Per poter effettuare la prova ho utilizzato QUESTA libreria con il relativo script di esempio, visibile anche nel video alla pagina suddetta.
Il tutto sembra funzionare correttamente ma in alcuni passaggi i led che dovrebbero essere completamente spenti si accedono leggermente, forse è il caso che vediate con i vostri occhi il problema:
VIDEO
Grazie a chi mi darà una mano per risolvere l'inconveniente.
Francesco
Il tutto sembra funzionare correttamente ma in alcuni passaggi i led che dovrebbero essere completamente spenti si accedono leggermente, forse è il caso che vediate con i vostri occhi il problema:
VIDEO
Grazie a chi mi darà una mano per risolvere l'inconveniente.
Francesco


