Misurare un'induttanza reale
Ciao a tutti,
avrei qualche domanda su come effettuare una misurazione attendibile del valore di induttanza dei componenti reali. Attualmente, dispongo di un multimetro (economica) che consente di misurare resistenza, capacità e induttanza.
La mia domanda riguarda l'attendibilità della misurazione dell'induttanza nel caso in cui la resistenza del componente in esame non sia trascurabile.
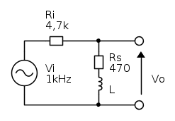
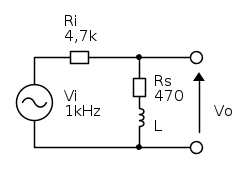
Nel caso pratico, vorrei misurare l'induttanza di una testina magnetica (per giradischi), la cui resistenza interna vale 470 Ω.
Eseguendo la misura di induttanza, ottengo un valore di 560 mH: questo valore può considerarsi attendibile, oppure c'è un errore dovuto al fatto che lo strumento abbia misurato, in serie all'impedenza fornita dall'induttanza, anche quella fornita dalla resistenza interna della testina?
Grazie!
Ciao,
Niki
avrei qualche domanda su come effettuare una misurazione attendibile del valore di induttanza dei componenti reali. Attualmente, dispongo di un multimetro (economica) che consente di misurare resistenza, capacità e induttanza.
La mia domanda riguarda l'attendibilità della misurazione dell'induttanza nel caso in cui la resistenza del componente in esame non sia trascurabile.
Nel caso pratico, vorrei misurare l'induttanza di una testina magnetica (per giradischi), la cui resistenza interna vale 470 Ω.
Eseguendo la misura di induttanza, ottengo un valore di 560 mH: questo valore può considerarsi attendibile, oppure c'è un errore dovuto al fatto che lo strumento abbia misurato, in serie all'impedenza fornita dall'induttanza, anche quella fornita dalla resistenza interna della testina?
Grazie!
Ciao,
Niki

è la resistenza interna della testina)
; quindi,
, dovrei ottenere qualcosa del genere:
, dunque -se i conti vanno bene- dovrei avere qualcosa come:
