Quesiti particolari su BJT, Diodi e OP-AMP
Salve ragazzi. Sto facendo dei quesiti a risposta aperta riguardo BJT, Diodi e OP-AMP, però di alcune non conosco la risposta e mi piacerebbe saperla. Eccole:
1. Se un BJT npn presenta un valore massimo di
=15V, è possibile utilizzare un valore di tensione di alimentazione più elevato? (Sugg: esaminare separatamente le condizioni di lavoro in regione attiva e interdizione).
2. Se il diodo reale non presentasse una tensione di soglia avrebbe ugualmente un comportamento non lineare? Motivare la risposta.
3. In un amplificatore di tensione costituito da una catena di stadi, perché può essere opportuno realizzare il primo stadio a FET? Che elementi vincolano il massimo valore dell'impedenza d'ingresso ottenibile?
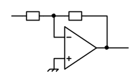
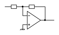
4. In un OP-AMP utilizzato come amplificatore invertente con segnale d'ingresso positivo, il terminale d'uscita assorbe o eroga corrente? Rispondere con il supporto dello schema circuitale.
5. Evidenziare le correlazioni esistenti fra i seguenti parametri di un OP-AMP: tensione di alimentazione, impedenza d'ingresso, dinamica del segnale in uscita, correnti di polarizzazione all'ingresso.
Grazie mille!
1. Se un BJT npn presenta un valore massimo di
=15V, è possibile utilizzare un valore di tensione di alimentazione più elevato? (Sugg: esaminare separatamente le condizioni di lavoro in regione attiva e interdizione).2. Se il diodo reale non presentasse una tensione di soglia avrebbe ugualmente un comportamento non lineare? Motivare la risposta.
3. In un amplificatore di tensione costituito da una catena di stadi, perché può essere opportuno realizzare il primo stadio a FET? Che elementi vincolano il massimo valore dell'impedenza d'ingresso ottenibile?
4. In un OP-AMP utilizzato come amplificatore invertente con segnale d'ingresso positivo, il terminale d'uscita assorbe o eroga corrente? Rispondere con il supporto dello schema circuitale.
5. Evidenziare le correlazioni esistenti fra i seguenti parametri di un OP-AMP: tensione di alimentazione, impedenza d'ingresso, dinamica del segnale in uscita, correnti di polarizzazione all'ingresso.
Grazie mille!

, in uscita avremo una corrente
amplificato di un fattore
. Aumentando la tensione di alimentazione E in ingresso, aumenta la corrente di ingresso e quindi quella di uscita. Questo comporta una maggiore caduta sulla resistenza
e quindi una diminuizione della
. poiché si ha
, aumentando la tensione di ingresso (e quindi diminuendo la tensione collettore-emettitore), non si supererà mai il valore di 15 V.
(dove
è la tensione applicata in uscita), e quindi il valore della
dipende dal valore della tensione di uscita.
. Se non sbaglio gli elementi attivi (come i generatori) erogano energia, mentre quelli passivi (come i resistori) la assorbono, però forse non centra nulla.