Qualcuno mi ha cambiato il titolo ... NON sto chiedendo la risoluzione del circuito; vorrei solo che, se potete

, mi diciate se il calcolo del polo è concettualmente (non chiedo la conferma del risultato numerico) corretto.
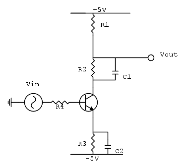
Comunque sono tornato per postare i circuiti che uso e l'incongruenza che ottengo con un ragionamento sempre fatto da me (che a quanto pare è l'unico che mi porta al risultato che Orcad ritiene corretto, ma vorrei sapere perché calcolare la resistenza vista ai capi del condensatore con un generatore di test mi porta a risultati errati, a me hanno sempre insegnato a fare così, se c'è da calcolare la resistenza equivalente vista nei due morsetti di un circuito parto subito con il generatore di test e vorrei sapere perché ora non funziona)
Uso un generatore di test di tensioneUso un generatore di test di correnteOttengo lo stesso risultato di prima
RagionamentoQualsiasi generatore di test metta li, il generatore di segnale è spento perché sto calcolando la resistenza equivalente che deve essere dovuta solo al generatore di segnale e non ad altri stimoli,........
Il BJT non può portare corrente perché nessuno fissa un comando diverso da 0. Quindi la corrente che scorre nel ramo è 0, in particolare quella che scorre in R3 è 0 e mi fissa quel nodo a 0, poi faccio il parallelo

, la corrente sche scorre li è 0, e quindi il collettore del BJT è a 0. Se metto un generatore di corrente, ho 0 volt di tensione ai suo capi, quindi la

, e quindi il polo è all'infinito.