Generatore di codici (Esercizio)
Salve , sono di nuovo qui , alle prese con un progettino , l'ho svolto ed ho cercato di svilupparlo con fidocad , ma perdonate la mia ignoranza a riguardo
! Allego il testo , svolgimento e considerazioni .
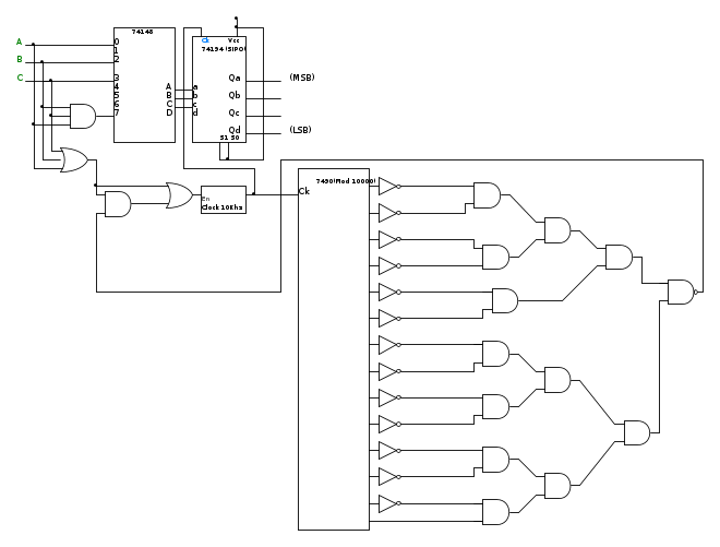
Poiché il bit più significativo e il meno significativo saranno rispettivamente 1 e 0 nel caso in cui venga pigiato un solo tasto , ho codificato "solo" i bit intermedi .
Ho implementato un contatore mod 10000 che fa da divisore di frequenza del Clock di 10kHz , cosi quando la pressione è 1 s la parola viene ripetuta ciclicamente . E' sommariamente corretto ? . Non è un compito da consegnare ma un esercizio che dovevo fare ai tempi del corso
.
Progettare un generatore di codici a 4 bit nel modo che segue
- pigiando il tasto A si ottiene la parola 1000;
- pigiando il tasto B si ottiene la parola 1100;
- pigiando il tasto C si ottiene la parola 1110;
Poiché il bit più significativo e il meno significativo saranno rispettivamente 1 e 0 nel caso in cui venga pigiato un solo tasto , ho codificato "solo" i bit intermedi .
pigiando contemporaneamente i tre tasti si ottiene la parola 1111. Inoltre, se i tasti vengono premuti per più di un secondo, la parola
selezionata viene ripetuta ciclicamente sino a quando i tasti non vengono rilasciati.Si dispone di un clock di tipo TTL a frequenza pari a 10 kHz.
Ho implementato un contatore mod 10000 che fa da divisore di frequenza del Clock di 10kHz , cosi quando la pressione è 1 s la parola viene ripetuta ciclicamente . E' sommariamente corretto ? . Non è un compito da consegnare ma un esercizio che dovevo fare ai tempi del corso


