Ampli differenziale: equivalenza tra 2 circuiti
Salve, non ho ancora capito se questo circuito
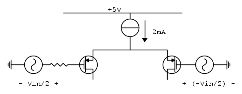
è equivalente oppure no a quest'altro
cioè se quel generatore di tensione può essere scomposto in due generatori di tensione A e B, che fornisco ciascuno la metà della tensione di quello originario, con B che ha polarità invertita rispetto ad A e, a differenza di A, è collegato al secondo transistore della coppia differenziale.
Premetto che nel corso di elettronica mi hanno spiegato che devo "vedere" tutte le masse come collegate tra di loro da un filo. Per spiegare cosa intendo, farò un esempio. Questo circuito
è esattamente uguale a
Grazie
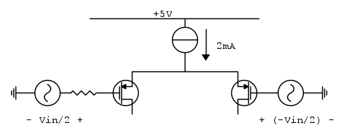
è equivalente oppure no a quest'altro
cioè se quel generatore di tensione può essere scomposto in due generatori di tensione A e B, che fornisco ciascuno la metà della tensione di quello originario, con B che ha polarità invertita rispetto ad A e, a differenza di A, è collegato al secondo transistore della coppia differenziale.
Premetto che nel corso di elettronica mi hanno spiegato che devo "vedere" tutte le masse come collegate tra di loro da un filo. Per spiegare cosa intendo, farò un esempio. Questo circuito
è esattamente uguale a
Grazie



