Circuito folding per ADC flash folding
Qualcuno potrebbe spiegarmi il comportamento del circuito in questo pdf, pag 16 del pdf, prima slide?
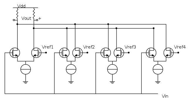
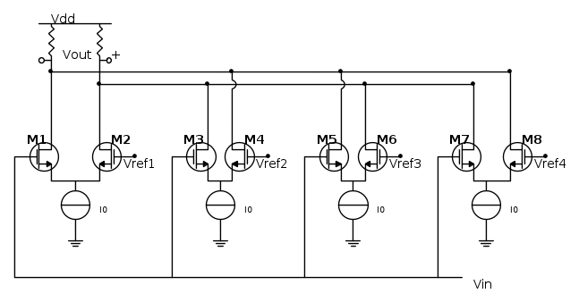
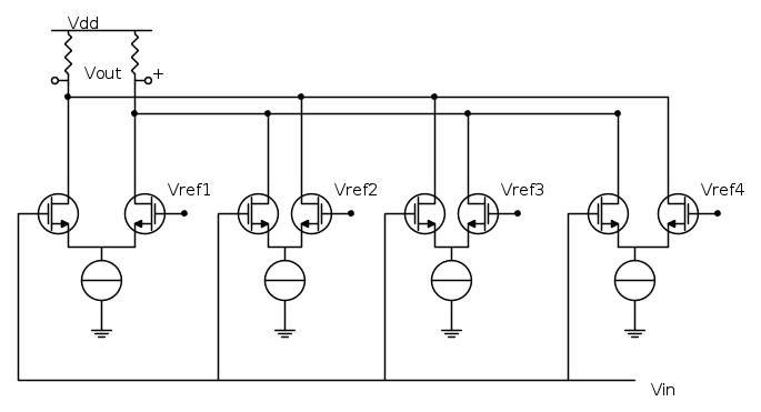
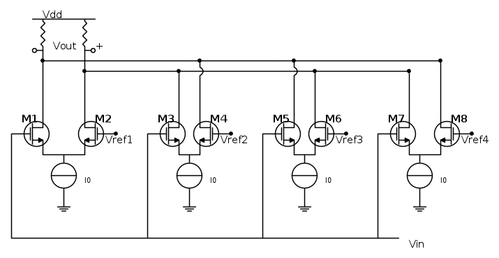
Dovrebbe fare il folding del segnale prima di mandarlo nella parte di fine coarse di un ADC flash a folding appunto. Ma non ho cpaito neanche perché
spero di averlo disegnato bene
Dovrebbe fare il folding del segnale prima di mandarlo nella parte di fine coarse di un ADC flash a folding appunto. Ma non ho cpaito neanche perché
As Vin changes, only one of M1, M3, M5, M7 is on depending on the input level
spero di averlo disegnato bene


.
, ovvero
. Ma il circuito è alimentato tra 0 e Vdd>0, quindi ciò è impossibile, quindi M1 è sempre spento e tutta la corrente la porta M2.
.