Ritardo attivazione su controllo temperatura con LM35
Ciao, sono ancora a chiedere un Vostro consiglio,
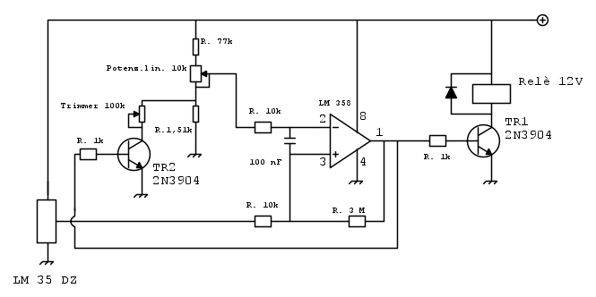
ho la necessità di realizzare un controllo di temperatura per un piccolo forno di post cottura per manufatti in resina e cercando in rete sono arrivato a questo schema; modificato per un'alimentazione a 12VDC ed il ritardo sulla riaccensione.
Il funzionamento è il seguente: All'accensione si attivano le resistenze elettriche per il riscaldamento del forno ( Relè NC ) , con il Potenziometro da 10 k ( un multigiri penso sarebbe più indicato...) regolo la temperatura desiderata che, a fronte del raggiungimento della temperatura dell' LM35DZ, abilita il Relè tramite il relativo transistor, staccando l'alimentazione sulle resistenze... ( campo di utilizzo: Temperature da circa 20° a 150° ).
La mia necessità era però quella di creare un ritardo regolabile nell'arco di alcuni gradi (massimo 10 ) e per realizzare questo ho pensato di aggiungere in parallelo alla R. da 1,51k un trimmer (multigiri ?!) da 100k , così che quando è raggiunta la temperatura desiderata ( ed attivati i transistor) il circuito "vede " una temperatura impostata inferiore ...
Quello che gentilmente Vi chiedo ( vista sempre la mia inesperienza) se a Vostro giudizio ci sono delle controindicazioni in tale schema e soprattutto se esistono eventualmente delle soluzioni più semplici per creare l'isteresi nel circuito.
Sulla Base del TR1 ho circa 850mV - Sulla base del TR2 ho circa 750 mV.
Ultima cosa: in alcuni circuiti in rete ho notato l'adozione di quel condensatore ( 100nF), ho visto che il tutto funziona anche senza, a Vostro giudizio - qual è il suo compito ?!
Grazie in anticipo per i Vostri consigli.
ho la necessità di realizzare un controllo di temperatura per un piccolo forno di post cottura per manufatti in resina e cercando in rete sono arrivato a questo schema; modificato per un'alimentazione a 12VDC ed il ritardo sulla riaccensione.
Il funzionamento è il seguente: All'accensione si attivano le resistenze elettriche per il riscaldamento del forno ( Relè NC ) , con il Potenziometro da 10 k ( un multigiri penso sarebbe più indicato...) regolo la temperatura desiderata che, a fronte del raggiungimento della temperatura dell' LM35DZ, abilita il Relè tramite il relativo transistor, staccando l'alimentazione sulle resistenze... ( campo di utilizzo: Temperature da circa 20° a 150° ).
La mia necessità era però quella di creare un ritardo regolabile nell'arco di alcuni gradi (massimo 10 ) e per realizzare questo ho pensato di aggiungere in parallelo alla R. da 1,51k un trimmer (multigiri ?!) da 100k , così che quando è raggiunta la temperatura desiderata ( ed attivati i transistor) il circuito "vede " una temperatura impostata inferiore ...
Quello che gentilmente Vi chiedo ( vista sempre la mia inesperienza) se a Vostro giudizio ci sono delle controindicazioni in tale schema e soprattutto se esistono eventualmente delle soluzioni più semplici per creare l'isteresi nel circuito.
Sulla Base del TR1 ho circa 850mV - Sulla base del TR2 ho circa 750 mV.
Ultima cosa: in alcuni circuiti in rete ho notato l'adozione di quel condensatore ( 100nF), ho visto che il tutto funziona anche senza, a Vostro giudizio - qual è il suo compito ?!
Grazie in anticipo per i Vostri consigli.
