Circuito AC follower con opamp
Salve gente, è la prima volta che scrivo quindi mi presento: sono Domenico e sono al terzo anno di fisica! 
Sto seguendo un laboratorio (praticamente) di elettronica (che mi piace tantissimo), e mi è stato chiesto di realizzare un circuito con un amplificatore operazionale (in particolare il uA741) che faccia da AC follower, cioè praticamente si tratta di un inseguitore che però lascia passare solo le alte frequenze. Ecco la foto di quello che dovrebbe essere:
https://www.dropbox.com/s/8osp8qp8lhe97v0/2013-10-24%2021.55.31-2.jpg
Ora, ho due problemi:
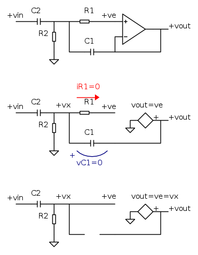
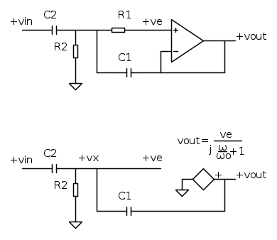
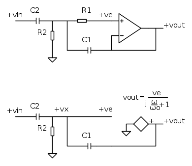
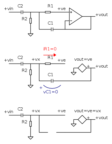
1) non riesco a trovare la funzione di trasferimento. Qualcuno mi saprebbe aiutare? Ci riesco solo modellizzandolo come un passa alto+un passa basso (infatti credo esca un passa banda, visto che il uA741 regge al massimo 700kHz), ma non riesco a capire che senso abbia C1 (R1 credo serve per non far entrare corrente nell'opamp, visto che, non essendo ideale, non ha impedenza d'ingresso davvero infinita);
2) a che diavolo serve 'sto circuito?
Perché non fare un normale passa banda, se fa la stessa cosa?
Vi ringrazio molto in anticipo, spero di ricevere vostre illuminazioni.
Sto seguendo un laboratorio (praticamente) di elettronica (che mi piace tantissimo), e mi è stato chiesto di realizzare un circuito con un amplificatore operazionale (in particolare il uA741) che faccia da AC follower, cioè praticamente si tratta di un inseguitore che però lascia passare solo le alte frequenze. Ecco la foto di quello che dovrebbe essere:
Ora, ho due problemi:
1) non riesco a trovare la funzione di trasferimento. Qualcuno mi saprebbe aiutare? Ci riesco solo modellizzandolo come un passa alto+un passa basso (infatti credo esca un passa banda, visto che il uA741 regge al massimo 700kHz), ma non riesco a capire che senso abbia C1 (R1 credo serve per non far entrare corrente nell'opamp, visto che, non essendo ideale, non ha impedenza d'ingresso davvero infinita);
2) a che diavolo serve 'sto circuito?
Vi ringrazio molto in anticipo, spero di ricevere vostre illuminazioni.




