Circuito 12v con sensore crepuscolare
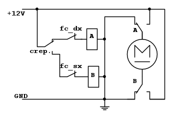
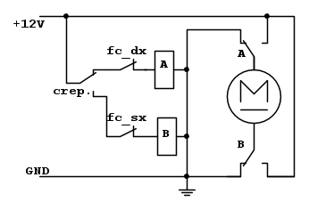
Ciao ragazzi, vi chiedo una mano, io devo fare un circuito collegato a una batteria da 12v che mi faccia azionare un motorino (sempre 12v), che utilizzando 2 finecorsa, andrà a girare una volta in un senso e una volta nell'altro (inversione dei poli), il tutto comandato da un sensore crepuscolare. Quindi quando farà luce, il motorino girerà in un senso e si fermerà, successivamente quando tornerà il buio, girerà nell'altro e cosi via.
Mi potrrste dare una mano a realizzarlo? O per lo meno qualche consigli su come impostare e creare il circuito..
Ho gia il motorino e la batteria, non vorrei spendere un capitale per realizzarlo quindi la via meno espensiva :)
Grazie in anticipo a tutti!
Mi potrrste dare una mano a realizzarlo? O per lo meno qualche consigli su come impostare e creare il circuito..
Ho gia il motorino e la batteria, non vorrei spendere un capitale per realizzarlo quindi la via meno espensiva :)
Grazie in anticipo a tutti!
