Pagina 1 di 3
Contapersone con 40192, F-F D e 4511.

Inviato:
5 dic 2013, 14:43
da Carnozzo
Devo realizzare un progetto che consiste in un contapersone, con un Flip-Flop D che manda l'uscita a un 40192 che a sua volta manda le 4 uscite al 4511. Aumenta il numero se entra qualcuno e diminuisce se esce. Vorrei sapere come vanno collegati di preciso con uno schema elettrico. Grazie in anticipo a tutti.
Re: Contapersone con 40192, F-F D e 4511.

Inviato:
5 dic 2013, 14:50
da marco438
E come rilevi l'ingresso e l'uscita delle persone?
Che cos'e' un compito scolastico?
Re: Contapersone con 40192, F-F D e 4511.

Inviato:
7 dic 2013, 10:38
da Carnozzo
Rilevo entrata e uscita con due fotocellule. Se si passa da A a B, conta up, mentre da B ad A conta down. È un progetto scolastico si.
Re: Contapersone con 40192, F-F D e 4511.

Inviato:
7 dic 2013, 10:57
da marco438
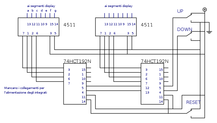
Allora, quello che segue e' lo schema di un contatore up-down (se due cifre non servono basta eliminare la parte a sinistra) con gli integrati che hai richiesto; ora sta a te modificarlo per l'uso specifico.
Dovrai quindi aggiungere le fotocellule,il flip-flop e lo stadio di alimentazione.
Fai lo schema completo che poi lo rivediamo insieme.
P.S. L'integrato 74192 dovrebbe avere la stessa piedinatura (e funzioni) del 40192 CMOS; comunque controlla i relativi datasheet (io non ne ho il tempo).
Re: Contapersone con 40192, F-F D e 4511.

Inviato:
7 dic 2013, 11:19
da Carnozzo
Grazie mille appena posso faccio lo schema completo e lo invio, per controllarlo.
Re: Contapersone con 40192, F-F D e 4511.

Inviato:
8 dic 2013, 14:23
da Carnozzo
Salve sto facendo lo schema elettrico. Avevo un dubbio su come collegare i piedini non utilizzati.
Re: Contapersone con 40192, F-F D e 4511.

Inviato:
8 dic 2013, 14:51
da marco438
Se ti riferisci ai 74192 e 4511, puoi lasciarli flottanti, a parte quelli di alimentazione che nello schema mancano.
Re: Contapersone con 40192, F-F D e 4511.

Inviato:
11 dic 2013, 13:27
da Carnozzo
Seguendo lo schema che mi ha dato lei, nn riesco a farlo funzionare, simulandolo in multisim. Il display nn si accende premendo i pulsanti. Nn riesco a trovare una soluzione.
Re: Contapersone con 40192, F-F D e 4511.

Inviato:
11 dic 2013, 13:43
da g.schgor
Se mi invii la simulazione in Multisim (va e-mail)
posso controllarla.
Re: Contapersone con 40192, F-F D e 4511.

Inviato:
11 dic 2013, 15:27
da Carnozzo
Quale è la sua mail?