Barriera IR con Arduino
Buongiorno a tutti ho un problema con una barriera IR più che un problema è un dubbio perché funziona ma c'è una cosa che mi lascia un po' perplesso.
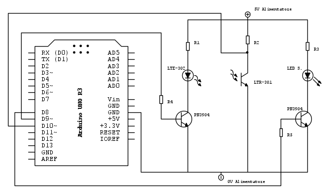
Andiamo con ordine:
R1=R3=220ohm
R2=R4=R5=4.7Kohm
Alimentazione 5V USB per Arduino + 5V Alimentatore esterno ecco perché c'è il filo di massa in comune.
Per semplificarvi la vita i datasheet:
Transistor PN3904
Emettitore LTE-302
Ricevitore LTR-301
Premetto che è a puro scopo "didattico" ed è il primo esperimento con gli infrarossi.
Se serve posto anche lo sketch ad ogni modo vi spiego il funzionamento:
L'emettitore emette e non emette per 1 millisecondo.
Il programma confronta l'emettitore e il ricevitore:
Se l'emettitore emette ed il ricevitore riceve tutto_________ok led spento
Se l'emettitore non emette ed il ricevitore non emette______ok led spento
Se l'emettitore emette e il ricevitore non riceve (qualcosa che blocca il fascio)________________Aiuto i ladri
Se l'emettitore non emette e il ricevitore riceve (Fascio IR Esterno tipo telecomando o Jammer)__Aiuto i ladri
con Aiuto i ladri intendo LED Acceso
Tutto funziona a parte che il led di giorno sfarfalla e presumo sia dovuto ad una mancanza di schermatura e qualche riflesso strano perché se faccio ombra con la mano smette.
La cosa che mi lascia perplesso, come dicevo sopra, è che quando metto il mio ditino od un oggetto qualunque a bloccare il fascio tra emettitore e ricevitore il led si illumina di immenso come volevo ma se lo illumino col fascio IR del telecomando o di un altro led IR non arriva neanche a 1mA si illumina pochissimo.
Presumo che il problema sia sul ricevitore ma non so da che parte girarmi ho provato un po di tutto.
Qualche idea?
Ciao
Andiamo con ordine:
R1=R3=220ohm
R2=R4=R5=4.7Kohm
Alimentazione 5V USB per Arduino + 5V Alimentatore esterno ecco perché c'è il filo di massa in comune.
Per semplificarvi la vita i datasheet:
Transistor PN3904
Emettitore LTE-302
Ricevitore LTR-301
Premetto che è a puro scopo "didattico" ed è il primo esperimento con gli infrarossi.
Se serve posto anche lo sketch ad ogni modo vi spiego il funzionamento:
L'emettitore emette e non emette per 1 millisecondo.
Il programma confronta l'emettitore e il ricevitore:
Se l'emettitore emette ed il ricevitore riceve tutto_________ok led spento
Se l'emettitore non emette ed il ricevitore non emette______ok led spento
Se l'emettitore emette e il ricevitore non riceve (qualcosa che blocca il fascio)________________Aiuto i ladri
Se l'emettitore non emette e il ricevitore riceve (Fascio IR Esterno tipo telecomando o Jammer)__Aiuto i ladri
Tutto funziona a parte che il led di giorno sfarfalla e presumo sia dovuto ad una mancanza di schermatura e qualche riflesso strano perché se faccio ombra con la mano smette.
La cosa che mi lascia perplesso, come dicevo sopra, è che quando metto il mio ditino od un oggetto qualunque a bloccare il fascio tra emettitore e ricevitore il led si illumina di immenso come volevo ma se lo illumino col fascio IR del telecomando o di un altro led IR non arriva neanche a 1mA si illumina pochissimo.
Presumo che il problema sia sul ricevitore ma non so da che parte girarmi ho provato un po di tutto.
Qualche idea?
Ciao



