Regolatore di corrente con Mosfet - Circuito
ciao!
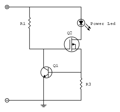
mi è capitato sotto mano questo circuito relativo ad un regolatore di corrente con mosfet
link: http://www.instructables.com/id/E0TL4RID3YEWIJMKVI/

Nel mio caso lo tarato per accendere un power led da 3watt 3.4v 0.750amp con alimentatore 7v 1amp.
Sembra funzionare ma non ho capito il funzionamento del circuito.
Qualcuno può farmi un riassuntino generale sulla percorrenza degli elettroni lungo il circuito? e come fa la tensione sul drain ad adattarsi a qualsiasi carico?
per cominciare vorrei capire questa formula che usa:
"Calculations:
- LED current is approximately equal to: 0.5 / R3
- R3 power: the power dissipated by the resistor is approximately: 0.25 / R3. choose a resistor value at least 2x the power calculated so the resistor does not get burning hot."
R1: 100k
"so for 700mA LED current:
R3 = 0.5 / 0.7 = 0.71 ohm. closest standard resistor is 0.75 ohm.
R3 power = 0.25 / 0.71 = 0.35 watts. we'll need at least a 1/2 watt rated resistor."
1_Da dove prende 0.5 e 0.25?
2_Come funziona il circuito retroattivo del transistor Q1?
Si attiva quando la corrente che passa è troppo alta....si ma questa "soglia" di quanto è?
Per favore, schemi in FidoCadj; quell'immagine verra' cancellata a breve.
mi è capitato sotto mano questo circuito relativo ad un regolatore di corrente con mosfet
link: http://www.instructables.com/id/E0TL4RID3YEWIJMKVI/

Nel mio caso lo tarato per accendere un power led da 3watt 3.4v 0.750amp con alimentatore 7v 1amp.
Sembra funzionare ma non ho capito il funzionamento del circuito.
Qualcuno può farmi un riassuntino generale sulla percorrenza degli elettroni lungo il circuito? e come fa la tensione sul drain ad adattarsi a qualsiasi carico?
per cominciare vorrei capire questa formula che usa:
"Calculations:
- LED current is approximately equal to: 0.5 / R3
- R3 power: the power dissipated by the resistor is approximately: 0.25 / R3. choose a resistor value at least 2x the power calculated so the resistor does not get burning hot."
R1: 100k
"so for 700mA LED current:
R3 = 0.5 / 0.7 = 0.71 ohm. closest standard resistor is 0.75 ohm.
R3 power = 0.25 / 0.71 = 0.35 watts. we'll need at least a 1/2 watt rated resistor."
1_Da dove prende 0.5 e 0.25?
2_Come funziona il circuito retroattivo del transistor Q1?
Si attiva quando la corrente che passa è troppo alta....si ma questa "soglia" di quanto è?
Per favore, schemi in FidoCadj; quell'immagine verra' cancellata a breve.
.... e lo 0,5 che sarebbe poi 0,5V è la tensione BE necessaria a far scorrere la corrente di collettore che serve
ma in questo caso la corrente di collettore sarà "bassa" a causa di
"elevata" e quindi anche la
sarà un po' più bassa del normale
e dato che abbiamo detto che
allora 

