Riutilizzare un alimentatore PC basato su TL494
Sopra tutto vorrei ringraziare
marco438, chi mi ha aiutato correggendo il mio testo iniziale.
Introduzione
Questo argomento è rivolto a coloro che volessero riutilizzare un vecchio alimentatore da PC.
A questo scopo, ho l'intenzione di descrivere in modo coerente i singoli blocchi, mostrando come esempio gli schemi più tipici e accompagnandoli con brevi spiegazioni. Una spiegazione dettagliata in italiano si può trovare qui: http://www.elma.it/TESTO/ali/00_aliPC_index.htm .
Utile sarà anche l'articolo di
stefanob70, intitolato "Riparare un ATX switching power supply".
Prenderò in considerazione solo i dispositivi, basati sui circuiti integrati TL494, KA7500, IR3M02 ed MB3759.
Conto sulle osservazioni e gli eventuali appunti di tutti gli utenti del forum per ridurre al minimo gli errori e le imprecisioni e sarei molto contento se l'argomento diventasse un pretesto e un luogo per discussioni utili e costruzioni nuove.
Per finire, un avvertimento molto importante: il lato primario del alimentatore è sottoposto a tensione di rete e dopo lo stadio raddrizzatore la tensione continua può raggiungere valori fino a 350V.
Pertanto le cose descritte non sono destinate a persone con poca o minima esperienza.
Schema a blocchi
Credo che le cose diventino più chiare, se si parte da uno schema a blocchi, Fig. 1.
Inizialmente, la tensione della rete viene applicata al filtro, che attenua l'interferenza elettromagnetica prodotta dal alimentatore. Dopo il filtro segue il raddrizzatore con i condensatori di livellamento. Tramite i transistori di potenza (interruttori) la tensione continua viene convertita in tensione impulsiva. Dalla parte secondaria del trasformatore gli impulsi sono nuovamente convertiti in tensione continua per mezzo dei convertitori diretti (convertitori buck).
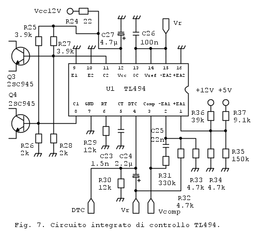
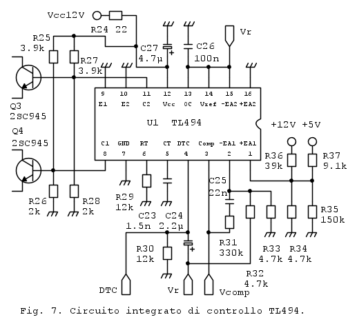
L'alimentatore è controllato da un circuito integrato TL494 sul principio della modulazione di larghezza d'impulso (PWM), in cui il rapporto di riempimento (duty-cycle) è regolato da un circuito di retroazione. Il circuito di pilotaggio gestisce i transistori di potenza tramite un trasformatore che fornisce anche un isolamento galvanico tra il lato primario e il lato secondario.
Il circuito di protezione assicura, che tutte le tensioni di uscita siano presenti e che i loro valori siano nelle norme.
L'alimentatore ausiliario è incorporato solo negli alimentatori ATX e serve per alimentare circuiti secondari. Gli alimentatori AT si auto-eccitano al inizio del avviamento.
Filtro di rete
Una "piena" configurazione del filtro di rete si può vedere in Fig. 2. Ci sono anche un fusibile (F1) e un termistore NTC (Rth1) che limita la corrente all'accensione iniziale. Purtroppo, spesso mancano alcuni componenti. R1 scarica i condensatori del filtro dopo che
l'alimentatore viene disconnesso dalla rete.
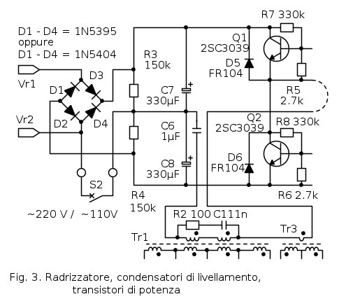
Radrizzatore, condensatori di livellamento, trasformatore e interuttori
Dopo il filtro segue un radrizzatore a ponte, i diodi D1 - D4. La tensione rettificata viene livellata dai condensatori C7 e C8. I resistori R3 e R4 scaricano C7 e C8 dopo che l'alimentatore è disconnesso dalla rete.
I condensatori, insieme con gli interuttori, ai transistori di potenza Q1 e Q2, formano un semiponte. Nella diagonale di questo semiponte è collegato l'avvolgimento primario del trasformatore principale e Tr1, in serie con il condensatore C6. Gli interuttori commutano alternativamente e passano al trasformatore simmetrici impulsi, positivi e negativi. I diodi D5 e D6 conducono la corrente di smagnetizzazione. Il condensatore C6 assicura la magnetizzazione simmetrica del nucleo. R2 e C11 riducono le oscillazioni durante i commutazioni.
I resistori R7 e R8 sono presenti solamente nei alimentatori AT e servono per polarizzare i transistori di potenza al inizio del avviamento del alimentatore.
Finalmente, il trasformatore di corrente, Tr3, fornisce informazione per la protezione contro sovracorrenti al lato primario.
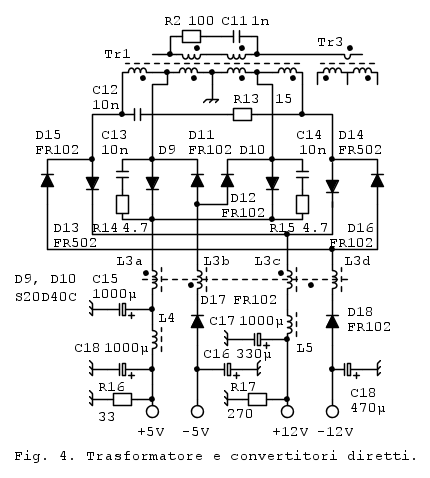
Trasformatore e convertitori diretti
Fig. 4. mostra i convertitori diretti (convertitori buck) al lato secondario del alimentatore.
Il trasformatore alimenta tutti i convertitori simmetricamente (a doppia semionda). Così la frequenza dei convertitori diventa due volte più della frequenza di commutazione degli interuttori. I convertitori separati sono configurati come segue:
* +5 V - D9, D10, L3a, C15;
* -5V - D11, D12, L3b, D17, C16;
* +12 V - D13, D14, L3c, L5, C17;
* -12V - D15, D16, L3d, D18, C18.
Gli induttori dei convertitori, L3a - L3d, sono avvolti sullo stesso nucleo e condividono un flusso magnetico comune. I componenti C12, R13, C13, C14, R14 e R15 riducono le oscillazioni durante le commutazioni. I resistori R16 e R17 assicurano un carico minimale.
P.S.
1. Continuerò appena sarò pronto con altri schemi e la loro descrizione.
2. Come ho promesso, taggo
abusivo.
Introduzione
Questo argomento è rivolto a coloro che volessero riutilizzare un vecchio alimentatore da PC.
A questo scopo, ho l'intenzione di descrivere in modo coerente i singoli blocchi, mostrando come esempio gli schemi più tipici e accompagnandoli con brevi spiegazioni. Una spiegazione dettagliata in italiano si può trovare qui: http://www.elma.it/TESTO/ali/00_aliPC_index.htm .
Utile sarà anche l'articolo di
Prenderò in considerazione solo i dispositivi, basati sui circuiti integrati TL494, KA7500, IR3M02 ed MB3759.
Conto sulle osservazioni e gli eventuali appunti di tutti gli utenti del forum per ridurre al minimo gli errori e le imprecisioni e sarei molto contento se l'argomento diventasse un pretesto e un luogo per discussioni utili e costruzioni nuove.
Per finire, un avvertimento molto importante: il lato primario del alimentatore è sottoposto a tensione di rete e dopo lo stadio raddrizzatore la tensione continua può raggiungere valori fino a 350V.
Pertanto le cose descritte non sono destinate a persone con poca o minima esperienza.
Schema a blocchi
Credo che le cose diventino più chiare, se si parte da uno schema a blocchi, Fig. 1.
Inizialmente, la tensione della rete viene applicata al filtro, che attenua l'interferenza elettromagnetica prodotta dal alimentatore. Dopo il filtro segue il raddrizzatore con i condensatori di livellamento. Tramite i transistori di potenza (interruttori) la tensione continua viene convertita in tensione impulsiva. Dalla parte secondaria del trasformatore gli impulsi sono nuovamente convertiti in tensione continua per mezzo dei convertitori diretti (convertitori buck).
L'alimentatore è controllato da un circuito integrato TL494 sul principio della modulazione di larghezza d'impulso (PWM), in cui il rapporto di riempimento (duty-cycle) è regolato da un circuito di retroazione. Il circuito di pilotaggio gestisce i transistori di potenza tramite un trasformatore che fornisce anche un isolamento galvanico tra il lato primario e il lato secondario.
Il circuito di protezione assicura, che tutte le tensioni di uscita siano presenti e che i loro valori siano nelle norme.
L'alimentatore ausiliario è incorporato solo negli alimentatori ATX e serve per alimentare circuiti secondari. Gli alimentatori AT si auto-eccitano al inizio del avviamento.
Filtro di rete
Una "piena" configurazione del filtro di rete si può vedere in Fig. 2. Ci sono anche un fusibile (F1) e un termistore NTC (Rth1) che limita la corrente all'accensione iniziale. Purtroppo, spesso mancano alcuni componenti. R1 scarica i condensatori del filtro dopo che
l'alimentatore viene disconnesso dalla rete.
Radrizzatore, condensatori di livellamento, trasformatore e interuttori
Dopo il filtro segue un radrizzatore a ponte, i diodi D1 - D4. La tensione rettificata viene livellata dai condensatori C7 e C8. I resistori R3 e R4 scaricano C7 e C8 dopo che l'alimentatore è disconnesso dalla rete.
I condensatori, insieme con gli interuttori, ai transistori di potenza Q1 e Q2, formano un semiponte. Nella diagonale di questo semiponte è collegato l'avvolgimento primario del trasformatore principale e Tr1, in serie con il condensatore C6. Gli interuttori commutano alternativamente e passano al trasformatore simmetrici impulsi, positivi e negativi. I diodi D5 e D6 conducono la corrente di smagnetizzazione. Il condensatore C6 assicura la magnetizzazione simmetrica del nucleo. R2 e C11 riducono le oscillazioni durante i commutazioni.
I resistori R7 e R8 sono presenti solamente nei alimentatori AT e servono per polarizzare i transistori di potenza al inizio del avviamento del alimentatore.
Finalmente, il trasformatore di corrente, Tr3, fornisce informazione per la protezione contro sovracorrenti al lato primario.
Trasformatore e convertitori diretti
Fig. 4. mostra i convertitori diretti (convertitori buck) al lato secondario del alimentatore.
Il trasformatore alimenta tutti i convertitori simmetricamente (a doppia semionda). Così la frequenza dei convertitori diventa due volte più della frequenza di commutazione degli interuttori. I convertitori separati sono configurati come segue:
* +5 V - D9, D10, L3a, C15;
* -5V - D11, D12, L3b, D17, C16;
* +12 V - D13, D14, L3c, L5, C17;
* -12V - D15, D16, L3d, D18, C18.
Gli induttori dei convertitori, L3a - L3d, sono avvolti sullo stesso nucleo e condividono un flusso magnetico comune. I componenti C12, R13, C13, C14, R14 e R15 riducono le oscillazioni durante le commutazioni. I resistori R16 e R17 assicurano un carico minimale.
P.S.
1. Continuerò appena sarò pronto con altri schemi e la loro descrizione.
2. Come ho promesso, taggo







