electro2014 ha scritto:Mi chiedo ma anche con l'uso di un semplice trasformatore si hanno in uscita due segnali sfasati di 180 gradi ?
Quando si parla di linee bilanciate vi fissate tutti con 'sta storia dei segnali sfasati di 180° che però non c'entra veramente con il bilanciamento di una linea. Come ho scritto altre volte, ciò che conta sono le impedenze tra i due conduttori di segnale e il riferimento.
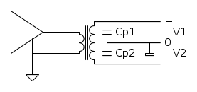
Considera il circuito qui sotto dove un amplificatore pilota un trasformatore:
L'uscita è su tre conduttori, quello di riferimento l'ho indicato con un rettangolino per distinguerlo dal riferimento dell'amplificatore. In assenza di un carico, quanto valgono le tensioni

e

? Il trasformatore fissa solo la tensione differenziale

che è quella che trasporta il segnale utile; la tensione di modo comune

dipende solo dai parametri parassiti del trasformatore, tipicamente dalle capacità parassite tra ciascun conduttore di uscita e il riferimento.
Per avere due segnali sfasati di 180° dovresti avere

, ma questo in generale non capita perché le capacità parassite non sono tipicamente simmetriche. La cosa però veramente importante da capire (e che mi sembra che venga capita a fatica) è che un'uscita non è sbilanciata se i segnali non sono sfasati di 180°: è sbilanciata se le impedenze della sorgente non sono simmetriche. Il circuito della figura sopra non ha un'uscita veramente bilanciata perché le impedenze tra ciascun conduttore di uscita e il riferimento sono generalmente differenti, perché dipendenti solo da parametri parassiti.
Nel circuito qui sotto, invece, l'uscita è bilanciata (se il trasformatore è simmetrico):
Poi, in conseguenza alla simmetria del trasformatore, anche la tensione di modo comune vale 0 e le due uscite sono sfasate di 180°, ma questo non è l'aspetto più importante.