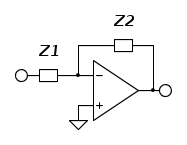
Circuito con operazionale
Per prima cosa devo calcolare il punto di lavoro per
, stabilire le regioni di funzionamento dei diodi e la resistenza di ingresso(diodo:
)Potete dirmi se faccio qualche boiata?
Per prima cosa suppongo che ci sia la retroazione negativa, in questo modo vale il cortocircuito virtuale.
Siccome
me lo immagino in continua, il condensatore è un aperto. Inoltre a occhio vedo che il diodo D2 è in conduzione diretta, mentre il diodo D1 è polarizzato inversamente. Quindi dico che la corrente
che tira fuori il generatore
, non potendo entrare nell'operazionale, passa in
e
. Inoltre, per il cortocircuito virtuale, siccome
, pertanto 
Quindi

Per calcolare la resistenza di ingresso, sostituisco
con un generatore di prova
. Siccome la corrente
che genera, passa sempre per
, ma siccome vale il cc virtuale, posso scrivere l'equazione alla maglia su
ovvero:
quindi 
Quindi, siccome la resistenza di ingresso è data da



in polarizzazione diretta perché per il cortocircuito virtuale, avrei
.

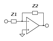
un generatore sinusoidale di piccolo segnale, calcolare la funzione di trasferimento 
. Però, appunto, avendomi dato l'andamento approssimato, la pendenza della retta è infinita, quindi
vuol dire che
, quindi posso calcolare direttamente l'impedenza equivalente data da
e quindi poter calcolare la funzione di trasferimento 


conduce
vale ... altrimenti se 