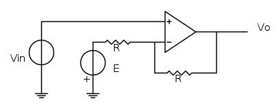
Gli OPAMP proprio non ti vanno giù!
Procediamo per passi: supponendo l'OPAMP ideale, e applicando il corto circuito virtuale, per

avrai che anche

. Questo significa che la corrente nello zener scorrerà da massa verso

, cioè lo zener avrà una caduta di

. Quindi è esattamente come se al posto dello zener ideale ci mettessi un generatore ideale di tensione del valore

:
In questa regione di funzionamento su R ci sarà una caduta di

, che corrisponde ad una corrente di

, da sinistra verso destra. La corrispondente tensione di uscita

è

. Per trovare questa caratteristica avresti anche potuto applicare la sovrapposizione degli effetti facendo agire prima

e poi E, ovviamente fintanto che consideri lo zener ideale (altrimenti diventa un componente non lineare e non puoi applicare il teorema). Chiaramente se consideri anche la saturazione dell'OPAMP allora la formula indicata sopra dovrà avere delle restrizioni, infatti la tensione di uscita non potrà andare sotto i -12V, quindi ci sarà un'ulteriore restrizione della regione. Tutto questo vale finché in diodo zener è in conduzione, ossia finché

. Da lì in poi fino ad un altro punto limite lo zener non conduce, e non potendoci scorrere corrente la caratteristica sarà quella di un semplice inseguitore, ossia

. Questo funziona finché

non supera l'altro valore di soglia, ossia la

del diodo in diretta, e in tal caso il circuito diventa in maniera analoga:
Con stavolta E=0.7V. Valgono esattamente le stesse considerazioni per il circuito precedente e si risolve in manira del tutto analoga. Ti torna?