Amplificatore operazionale a 10 MHz
Un saluto a tutti
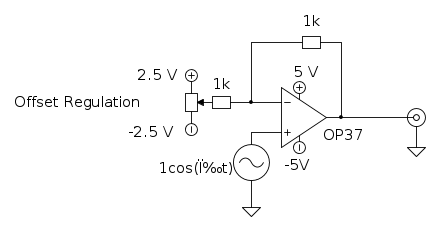
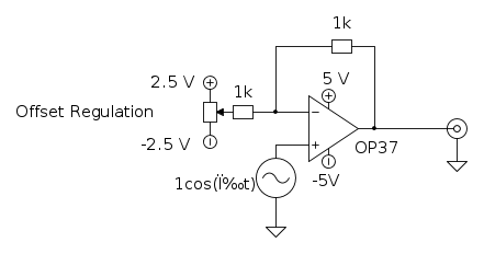
Per il mio generatore di funzioni ho intenzione di montare, come stadio finale, un amplificatore operazionele. Il circuito che per il momento ho previsto è questo:
EDIT:
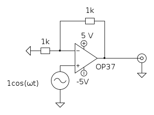
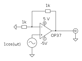
Mentre per le prime prove su breadboard ho montato il seguente circuito, amplificatore non invertente con guadagno di 2:
/EDIT
La frequenza massima di segnale sarà di 10 MHz. Non mi sembrano né troppo pochi né troppi.
Il segnale di uscita è 2 V picco - picco.
Il problema è l' operazionale.
Ho provato con un OP37 facendo delle prove su breadboard, ma il segnale, non appena supera la soglia di 1 MHz, comincia ad essere distorsionato.. Il guadagno si riduce e più si sale in frequenza più il segnale sembra, anzi, diventa una onda triangolare.
Ê evidente che l' operazione in questione non è quello di cui ho bisogno, sempre che io non stia sbagliando qualcosa..
Quale operazionale mi potete consigliare ?
Ringrazio in anticipo.

Per il mio generatore di funzioni ho intenzione di montare, come stadio finale, un amplificatore operazionele. Il circuito che per il momento ho previsto è questo:
EDIT:
Mentre per le prime prove su breadboard ho montato il seguente circuito, amplificatore non invertente con guadagno di 2:
/EDIT
La frequenza massima di segnale sarà di 10 MHz. Non mi sembrano né troppo pochi né troppi.
Il segnale di uscita è 2 V picco - picco.
Il problema è l' operazionale.
Ho provato con un OP37 facendo delle prove su breadboard, ma il segnale, non appena supera la soglia di 1 MHz, comincia ad essere distorsionato.. Il guadagno si riduce e più si sale in frequenza più il segnale sembra, anzi, diventa una onda triangolare.
Ê evidente che l' operazione in questione non è quello di cui ho bisogno, sempre che io non stia sbagliando qualcosa..
Quale operazionale mi potete consigliare ?
Ringrazio in anticipo.



