Modello equivalente dell' operazionale
Un saluto a tutti,
Apro questo post un po' per curiosità ed un po' per necessità (ma per quest'ultima dipende da quanto soddisfacenti saranno le prove).
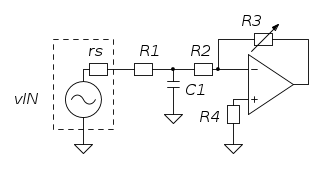
Sto ragionando sul modello equivalente dell' operazionale e sui possibili effetti di un filtro passivo a valle di un amplificatore operazionale a guadagno variabile, quindi:
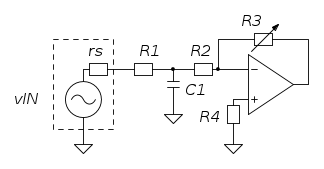
La rete
in questo caso evita la banda variabile dovuta alla variazione di
, salvo che io non stia omettendo nulla.
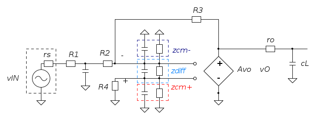
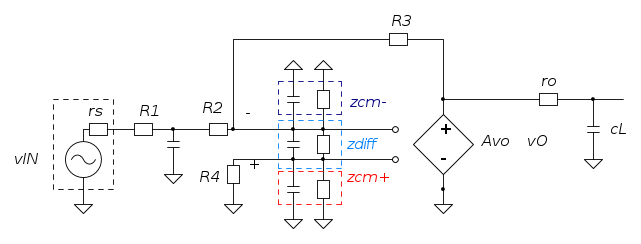
Sul libro "Analog Filter Design" (che considero un ottimo libro sui filtri analogici), viene illustrato il seguente modello equivalente (semplificato) di un amplificatore operazionale:
Considerando l' impedenza differenziale di ingresso e quella di modo comune, la resistenza di uscita e la capacità di carico, modello l' operazionale cosi:
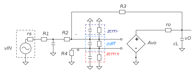
E rimettendo in ordine i pezzi, facendo riferimento al primo circuito postato il risultato è questo:
Infine, stavo rileggendo l' articolo "Op Amp: modelli e simulatori" di
carloc, in particolare la sezione "Modello AC ad 1 polo".
Stavo quindi rivedendo brevemente il metodo delle costanti di tempo (che fornisce una approssimazione molto precisa), come ricordato gentilmente da
jordan20 in questo post.
Sempre che non abbia capito ravioli per carciofi, il seguente grafico
rappresenta il guadagno in frequenza di un amplificatore a 3 poli, e quindi si potrebbe rimodellare il circuito interno con una rete passiva RC in cascata. Il punto sarebbe dare un valore a questi componenti ma ora è tardi e non è ora di sparare eventuali svarioni.
Infine, esiste un modello (standard) equivalente dell' operazionale ?
Credo di no. Vale poi la pena indagare cosi tanto ?

Apro questo post un po' per curiosità ed un po' per necessità (ma per quest'ultima dipende da quanto soddisfacenti saranno le prove).
Sto ragionando sul modello equivalente dell' operazionale e sui possibili effetti di un filtro passivo a valle di un amplificatore operazionale a guadagno variabile, quindi:
La rete
in questo caso evita la banda variabile dovuta alla variazione di
, salvo che io non stia omettendo nulla.Sul libro "Analog Filter Design" (che considero un ottimo libro sui filtri analogici), viene illustrato il seguente modello equivalente (semplificato) di un amplificatore operazionale:
Considerando l' impedenza differenziale di ingresso e quella di modo comune, la resistenza di uscita e la capacità di carico, modello l' operazionale cosi:
E rimettendo in ordine i pezzi, facendo riferimento al primo circuito postato il risultato è questo:
Infine, stavo rileggendo l' articolo "Op Amp: modelli e simulatori" di
Stavo quindi rivedendo brevemente il metodo delle costanti di tempo (che fornisce una approssimazione molto precisa), come ricordato gentilmente da
Sempre che non abbia capito ravioli per carciofi, il seguente grafico
rappresenta il guadagno in frequenza di un amplificatore a 3 poli, e quindi si potrebbe rimodellare il circuito interno con una rete passiva RC in cascata. Il punto sarebbe dare un valore a questi componenti ma ora è tardi e non è ora di sparare eventuali svarioni.
Infine, esiste un modello (standard) equivalente dell' operazionale ?
Credo di no. Vale poi la pena indagare cosi tanto ?








