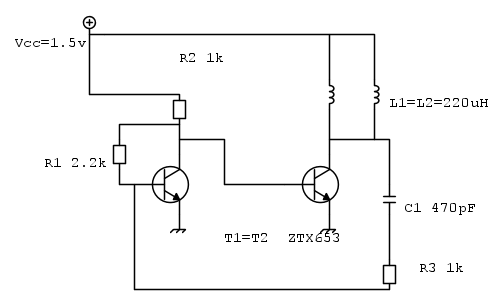
Per come la vedo io, quando il transistore T2 è in saturazione (attivo), immaginando una

costante e trascurabile, l'induttore tende a caricarsi assorbendo una corrente lineare crescente, questo perché su di esso c'è una caduta di tensione costante e pari a 1.5V. Ciò implica che la corrente avrà un andamento a rampa. Ora, il transistore T1 è interdetto (disattivato) poiché la tensione al collettore è circa pari alla

di T2 e la tensione di base parte da 0 all'inizio della carica dell'induttore. Però siccome T1 fa da interruttore aperto permette una richiusura della corrente che attraversa la serie delle tre resistenze e C1. Ciò significa che il condensatore C1 tenderà a caricarsi anch'esso in quanto si è formata una maglia RC, con la ovvia conseguenza che anche la tensione di base di T1 crescerà con esso. Non appena tale tensione avrà raggiunto la

necessaria per mandare in conduzione anche T1, allora esso andrà in saturazione e farà da interruttore chiuso verso massa, interdendo T2 e permettendo la scarica del condensatore e dell'induttore. Infatti quest'ultimo fino all'istante prima dell'innesco di T1 continuava ad assorbire corrente via via crescente, che ora (per ovvie ragioni di continuità) dovrà avere una via di sfogo data appunta dall'attivazione di T1. Così la corrente inizia a fluire attraverso condensatore e resistenze, dando un impulso di tensione al collettore di T2 che si esaurisce brevemente così come la corrente stessa. Una volta che la corrente è tornata a zero (ovviamente non starà proprio fissa a zero poiché ci saranno delle oscillazioni date dalla caratteristica LC del circuito), il transistore T1 tornerà in interdizione, sbloccando così anche T2 che tornerà a condurre permettendo una nuova ricarica dell'induttanza, e il processo comincia così da capo.
In ogni caso, questo circuito mi sembra molto arrogante, si serve di transitori molto impulsivi e frenetici che mettono a dura prova i transistori e gli altri componenti, per non parlare della forma d'onda in uscita che è tassativamente da filtrare, così è praticamente un treno di impulsi, neanche una PWM. La frequenza di commutazione la ricavi considerando appunto l'intervallo di tempo impiegato dal condensatore a portarsi alla tensione che permette l'accensione di T1. Facendo due conti viene intorno ai 110kHz, ma se consideri anche l'intervallo di tempo necessario a scaricare l'induttore e a riportare il tutto all'equilibrio iniziale è molto probabile che sia intorno ai 90kHz come specificato nell'articolo.