claudiocedrone ha scritto::-) Che io sappia quello degli switching non è un trasformatore (anche se spesso viene chiamato così) bensì appunto due induttori accoppiati.

claudiocedrone, quasi

.
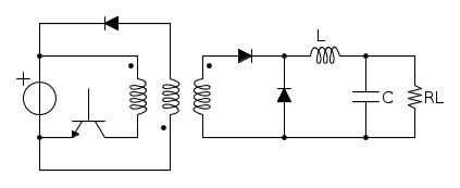
Come hai detto, alcuni tipi di convertitore utilizzano l'elemento d' isolamento anche per immagazinare l'energia magnetica necessaria alla pompa del condensatore d'uscita. In questo caso si parla di mutuo induttore e viene fottimizzato per accumulare energia (ad esempio usando un traferro). Il tipico esempio è il flyback:
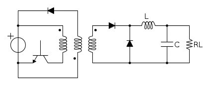
Però, altri convertitori separano la funzione d' isolamento da quella di accumulo dell'energia magnetica. In questo caso l'elemento di isolamento deve avere le caratteristiche il più vicino possibile a quelle di un trasformatore ideale (e quindi idealmente corrente di magnetizzazione nulla). Poi, un secondo elemento magnetico, di fatto un induttore, avrà il compito di immagazzinare l'energia magnetica per la pompa del condensatore d'uscita. L'esempio tipico è il forward:
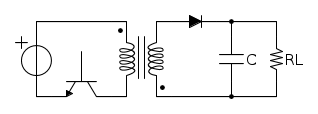
Su questo ultimo circuito, poiché il nucleo del trasformatore accumula un po' di energia (non voluta), vi deve essere un circuito che provvede al suo reset (ad esempio un terzo avvolgimento, detto avvolgimento di ricircolo, come in figura) altrimenti lo si satura.