Generare impulso in seguito a variazione di potenziale
Sono alle primissime armi con l'elettronica e questo dovrebbe essere il mio primo progetto serio (anche se per molti di voi sembrerà banale).
Veniamo subito al problema.
In uscita da un allarme ho un segnale consistente in un gradino di potenziale che va da 0 a 8V della durata di circa 20 secondi per poi tornare di nuovo a 0V.
In origine questo segnale serviva per tenere acceso un led in modo da sapere quale allarme fosse scattato.
Ciò che vorrei ottenere io è generare un singolo "impulso" di circa mezzo secondo quando viene emesso il segnale di cui sopra.
Dato che misurando (seppur approssimativamente con un semplice multimetro) l'uscita dell'allarme, ho notato che il tempo di salita del segnale è abbastanza lungo (quasi 1 secondo) ho pensato di sfruttare questa caratteristica per risolvere il mio problema.
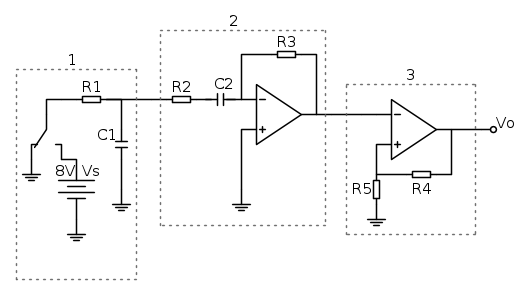
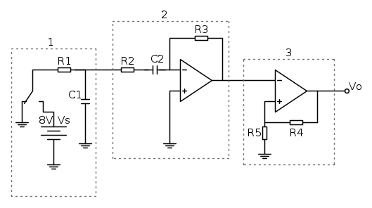
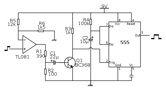
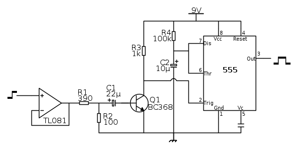
In pratica ho pensato di trattare il segnale attraverso un derivatore e in cascata un trigger di Schmitt in modo da ottenere, almeno in linea teorica, appunto un impulso rettangolare.
E' una brutta idea? Può funzionare? (s'è capito qualcosa di quello che ho detto?)
Veniamo subito al problema.
In uscita da un allarme ho un segnale consistente in un gradino di potenziale che va da 0 a 8V della durata di circa 20 secondi per poi tornare di nuovo a 0V.
In origine questo segnale serviva per tenere acceso un led in modo da sapere quale allarme fosse scattato.
Ciò che vorrei ottenere io è generare un singolo "impulso" di circa mezzo secondo quando viene emesso il segnale di cui sopra.
Dato che misurando (seppur approssimativamente con un semplice multimetro) l'uscita dell'allarme, ho notato che il tempo di salita del segnale è abbastanza lungo (quasi 1 secondo) ho pensato di sfruttare questa caratteristica per risolvere il mio problema.
In pratica ho pensato di trattare il segnale attraverso un derivatore e in cascata un trigger di Schmitt in modo da ottenere, almeno in linea teorica, appunto un impulso rettangolare.
E' una brutta idea? Può funzionare? (s'è capito qualcosa di quello che ho detto?)




