Strano comportamento Arduino + MAX7219
Buongiorno a tutti e buona domenica,
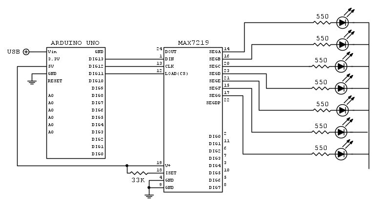
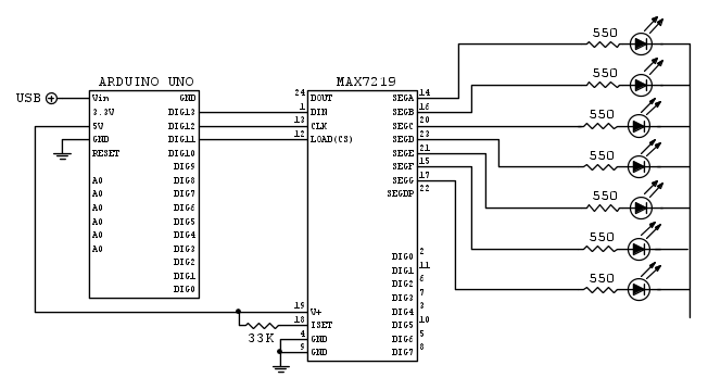
oggi stavo facendo alcuni test con Arduino UNO e il MAX7219 per il multiplexing di una striscia di led. A seguito di alcuni comportamenti anomali del mio circuito ho potuto notare che con la configurazione mostrata di seguito alcuni led si accendono nonostante il loro catodo comune sia scollegato dalla massa. Inoltre ho notato che rimuovendo solo e solamente il collegamento del primo led (segA) tutti i led si spengono (come è giusto che sia).
Da cosa può dipendere?
Grazie per l'aiuto
oggi stavo facendo alcuni test con Arduino UNO e il MAX7219 per il multiplexing di una striscia di led. A seguito di alcuni comportamenti anomali del mio circuito ho potuto notare che con la configurazione mostrata di seguito alcuni led si accendono nonostante il loro catodo comune sia scollegato dalla massa. Inoltre ho notato che rimuovendo solo e solamente il collegamento del primo led (segA) tutti i led si spengono (come è giusto che sia).
Da cosa può dipendere?
Grazie per l'aiuto
