cd4516 presettable counter come divisore di frequenza
Buonasera a tutti , sono un appassionato di elettronica , analogica , la digitale un po' meno , mi sto rivolgendo a questo forum per avere una dritta sulla realizzazione di un divisore di frequenza, da 1 a 15, programmabile con un selettore rotativo , tipo contravers , uscita in esadecimale su 4 bit.
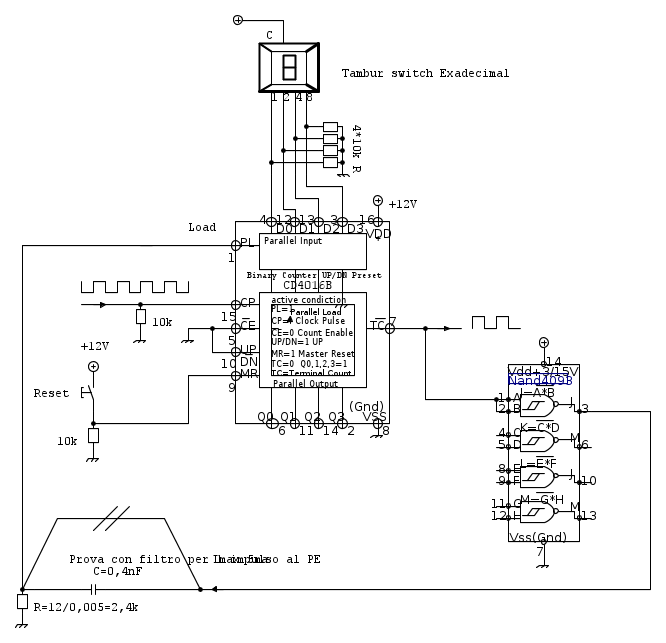
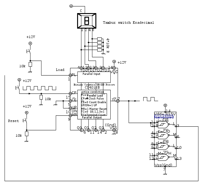
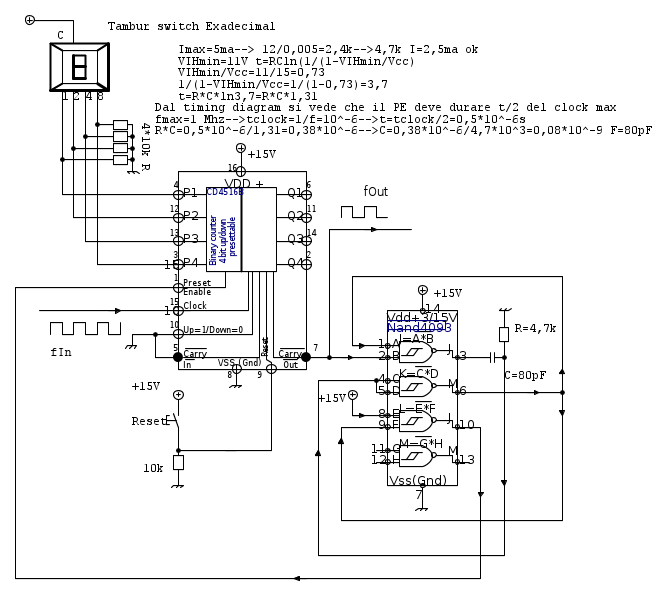
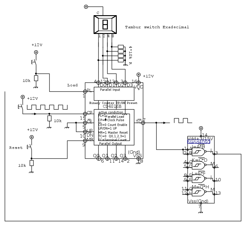
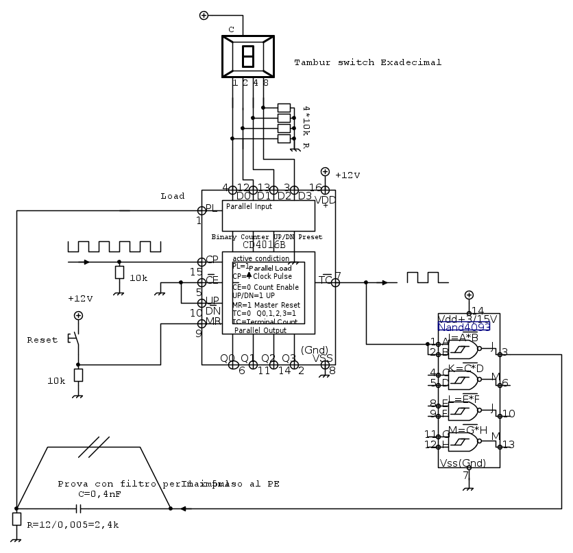
Il contatore CD4516BE ha :
-Entrata al CLOCK
-Selezione conteggio DOWN
-4 registri di preset , P1,2,3,4 , che con un contravers vengono selezionati da 0000 a 1111 es valore (MSB) 1000 (LSB)=8
-i 4 registri di preset , vengono poi caricati con un segnale alto al PE preset enable in Q1,2,3,4 che sono i 4 registri su cui opera il contatore.
-Una volta caricati , da questo valore inizia il conteggio in down sino a 0000 , qui il CO Carry Out da alto va basso.
-Mettendo una porta nand tipo CD4093BE viene invertito il segnale al CO CARRY OUT e mandato al PE per il preset enable del nuovo ciclo.
Al CO si dovrebbe avere la frequenza di entrat divisa per il n° binario presettato con i contravers , ma cio non accade , tutto sta fermo.
Aprendo il collegmento al PE e comandandolo a mano tutto funziona.
Ho provato anche a dare in modo impulsivo il comando dal nand al PE con un filtro RC , ma non funziona.
Almeno non vedo ad oscilloscopio nessun segnale variabile uscire dal TC .
Mettendo a 0000 i contravers tutto ok divide per 16 .
Per la frequenza di entrata sto usando 30hz.
Ho fatto prove dando io impulsi al clock a mano , con PE scollegato dal nand e tutto funziona ok , io gestisco il clock e il comando di PE , divide bene.
Non è che collegando con la NAND il CO e il PE il tempo di andata a 0 del CO è talmente piccolo che non lo vedo all'ascilloscopio?
Qualcuno sa come si fa.
Grazie in anticipo per l'aiuto.
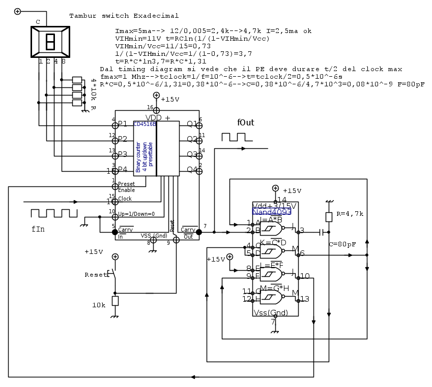
Il contatore CD4516BE ha :
-Entrata al CLOCK
-Selezione conteggio DOWN
-4 registri di preset , P1,2,3,4 , che con un contravers vengono selezionati da 0000 a 1111 es valore (MSB) 1000 (LSB)=8
-i 4 registri di preset , vengono poi caricati con un segnale alto al PE preset enable in Q1,2,3,4 che sono i 4 registri su cui opera il contatore.
-Una volta caricati , da questo valore inizia il conteggio in down sino a 0000 , qui il CO Carry Out da alto va basso.
-Mettendo una porta nand tipo CD4093BE viene invertito il segnale al CO CARRY OUT e mandato al PE per il preset enable del nuovo ciclo.
Al CO si dovrebbe avere la frequenza di entrat divisa per il n° binario presettato con i contravers , ma cio non accade , tutto sta fermo.
Aprendo il collegmento al PE e comandandolo a mano tutto funziona.
Ho provato anche a dare in modo impulsivo il comando dal nand al PE con un filtro RC , ma non funziona.
Almeno non vedo ad oscilloscopio nessun segnale variabile uscire dal TC .
Mettendo a 0000 i contravers tutto ok divide per 16 .
Per la frequenza di entrata sto usando 30hz.
Ho fatto prove dando io impulsi al clock a mano , con PE scollegato dal nand e tutto funziona ok , io gestisco il clock e il comando di PE , divide bene.
Non è che collegando con la NAND il CO e il PE il tempo di andata a 0 del CO è talmente piccolo che non lo vedo all'ascilloscopio?
Qualcuno sa come si fa.
Grazie in anticipo per l'aiuto.






