Rottura IGBT
Ciao a tutti,
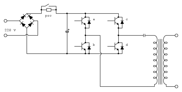
ho un problema con la rottura di alcuni IGBT ixgh60n60c3d1 http://ixdev.ixys.com/DataSheet/DS100009B%28IXGH_T60N60C3D1%29.pdf
il circuito è il cassico ponte ad H
Quello che mi lascia un po perplesso è il come si siano rotti "al di fuori" della casistica standard.
Per essere chiari, su due macchine diverse, i 2 transistor della stessa gamba ("a" ed "b") sono andati in corto tra cbe senza fare esplodere il case, cosa che normalmente non succede mai, almeno uno dei 2 deve esplodere trovandosi in corto tra + e -.
Oltre a questo per onore della cronaca segnalo che il contatto del relè di bypass della resistenza
di precarica si è incollato (gruppo prc su schema), cosa comune quando si tenta di riaccendere la macchina con gli igbt in corto.
Per il resto è tutto perfetto,come appena venuto fuori di fabbrica.
I pilotaggi sono perfetti, non hanno spike o pendenze oltre alla media.
Il carico finale, anche se ininfluente ai fini della rottura, è anch'esso perfetto.
Tutto ciò premesso per chiedere se secondo voi si può trattare di una partita di igbt fallati in origine,
anche se cio' non spiega come abbiano potuto passare i collaudi.
Nel caso mi potreste consigliare qualche stress test da poter fare per vedere se effettivamente ci sono
problemi negli igbt?
Noi gia ora abbiamo una camera climatica dove simuliamo il funzionamento a caldo forzato ed
con un carico maggiorato rispetto alla targa del prodotto, che non ha evidenziato il problema.
Daniele
ho un problema con la rottura di alcuni IGBT ixgh60n60c3d1 http://ixdev.ixys.com/DataSheet/DS100009B%28IXGH_T60N60C3D1%29.pdf
il circuito è il cassico ponte ad H
Quello che mi lascia un po perplesso è il come si siano rotti "al di fuori" della casistica standard.
Per essere chiari, su due macchine diverse, i 2 transistor della stessa gamba ("a" ed "b") sono andati in corto tra cbe senza fare esplodere il case, cosa che normalmente non succede mai, almeno uno dei 2 deve esplodere trovandosi in corto tra + e -.
Oltre a questo per onore della cronaca segnalo che il contatto del relè di bypass della resistenza
di precarica si è incollato (gruppo prc su schema), cosa comune quando si tenta di riaccendere la macchina con gli igbt in corto.
Per il resto è tutto perfetto,come appena venuto fuori di fabbrica.
I pilotaggi sono perfetti, non hanno spike o pendenze oltre alla media.
Il carico finale, anche se ininfluente ai fini della rottura, è anch'esso perfetto.
Tutto ciò premesso per chiedere se secondo voi si può trattare di una partita di igbt fallati in origine,
anche se cio' non spiega come abbiano potuto passare i collaudi.
Nel caso mi potreste consigliare qualche stress test da poter fare per vedere se effettivamente ci sono
problemi negli igbt?
Noi gia ora abbiamo una camera climatica dove simuliamo il funzionamento a caldo forzato ed
con un carico maggiorato rispetto alla targa del prodotto, che non ha evidenziato il problema.
Daniele

Ser.Tom