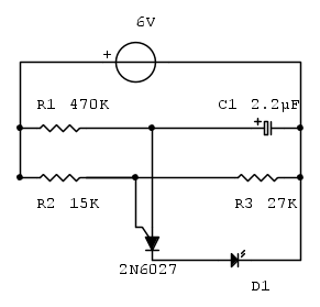
Oscillatore pigro con PUT 2N6027
Gentilissimi amici, mi trovo di fronte ad un circuito semplicissimo che non funziona. E' tratto dal libro Make:electronics e giusto per farvi capire quanto è facile c'è pure la grafica su come metterlo sulla breadboard.
Ho misurato il condensatore che si carica e non si scarica mai. Ho misurato con il prova componenti i piedini del PUT e tutto sembra regolare. Il led ovviamente funziona e ho anche misurato ogni singola resistenza.
Voi che ne pensate?
Vi allego anche uno scatto della breadboard giusto perché magari ho sbagliato qualche collegamento, ma vi ripeto: c'è perfino la grafica sul libro.
Grazie per l'attenzione.

Ho misurato il condensatore che si carica e non si scarica mai. Ho misurato con il prova componenti i piedini del PUT e tutto sembra regolare. Il led ovviamente funziona e ho anche misurato ogni singola resistenza.
Voi che ne pensate?
Vi allego anche uno scatto della breadboard giusto perché magari ho sbagliato qualche collegamento, ma vi ripeto: c'è perfino la grafica sul libro.
Grazie per l'attenzione.

