Pagina 1 di 5
Dubbio Regolatore 7805

Inviato:
19 giu 2015, 12:17
da andreacircuit9
Salve a tutti voi.
Mi è sorto un dubbio sulla potenza massima erogata dal regolatore lineare 7805.
Se utilizzo il 7805 in configurazione di regolatore variabile da 5V a 12V qual è la potenza massima che posso ottenere dal regolatore? E' quella data dal prodotto della corrente massima erogabile dal regolatore ( Imax=1.5A) per la tensione massima di uscita (12V)?
grazie
Re: Dubbio Regolatore 7805

Inviato:
19 giu 2015, 12:20
da Giovepluvio
Come fai a fare 12 V con un 7805? Mi son perso qualche pezzo forse?

Re: Dubbio Regolatore 7805

Inviato:
19 giu 2015, 12:23
da Pranda
Se il regolatore ha come massima uscita 1.5 A la potenza dipende dalla tensione.
P = IxV
ciao
Giovanni
Re: Dubbio Regolatore 7805

Inviato:
19 giu 2015, 12:24
da andreacircuit9
Re: Dubbio Regolatore 7805

Inviato:
19 giu 2015, 12:28
da andreacircuit9
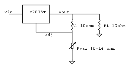
Senza considerare quei valori dello schema ma i valori:
R2 da 0 a 14 ohm
R1 da 10 ohm
si ottiene una corrente su quel ramo da 0.5A
Il mio dubbio è la potenza massima del regolatore va vista tra l'uscita e massa o tra l'uscita e il pin di riferimento del regolatore?
Re: Dubbio Regolatore 7805

Inviato:
19 giu 2015, 12:30
da Giovepluvio
Non mi pare di vedere un 7805 in quello schema.
In realtà ci si vede ben poco...

Usare fidocad come da regolamento no eh? Troppo faticoso? Troppo difficile?

Re: Dubbio Regolatore 7805

Inviato:
19 giu 2015, 12:44
da andreacircuit9
ok ... :) ... scusate la mia pigrizia :P
Re: Dubbio Regolatore 7805

Inviato:
19 giu 2015, 12:50
da Russell
Credo ti stia confondendo con un LM317
Re: Dubbio Regolatore 7805

Inviato:
19 giu 2015, 12:52
da andreacircuit9
Dici perche ho chiamato il pin di riferimento adj? no no è un 7805 ...
Questa è una configurazione tipica del regolatore riportata anche sul datasheet
Re: Dubbio Regolatore 7805

Inviato:
19 giu 2015, 12:55
da Giovepluvio
Sicuro sicuro?
