Controllo del guadagno di uno stadio a catodo comune
Salve a tutti,
in un progetto che sto realizzando avrei bisogno di poter controllare tramite un potenziometro il guadagno di uno stadio a catodo comune, in particolare questo dovrebbe variare da 1 a un valore massimo ancora da definire.
Il problema che mi sono trovato davanti sta nel come implementare circuitalmente questa funzione in quanto vorrei evitare la resistenza catodica variabile che ho visto utilizzare in molte realizzazioni su internet.
Specifico che lo stadio lavora in classe a con cathode bias.
A me era venuto in mente di usare una controreazione regolabile appunto tramite potenziometro però non saprei come implementarlo nel circuito dato che fino ad ora ho usato la retroazione solo sugli opamp che sono molto più "ideali" di uno stadio a catodo comune.
Potreste aiutarmi?
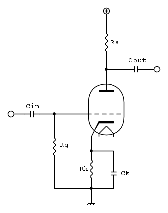
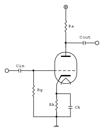
Lo schema dello stadio è base ma lo posto comunque per completezza:
PS: dimenticavo di dire che l'uscita dello stadio va in ingresso ad un altro stadio analogo
in un progetto che sto realizzando avrei bisogno di poter controllare tramite un potenziometro il guadagno di uno stadio a catodo comune, in particolare questo dovrebbe variare da 1 a un valore massimo ancora da definire.
Il problema che mi sono trovato davanti sta nel come implementare circuitalmente questa funzione in quanto vorrei evitare la resistenza catodica variabile che ho visto utilizzare in molte realizzazioni su internet.
Specifico che lo stadio lavora in classe a con cathode bias.
A me era venuto in mente di usare una controreazione regolabile appunto tramite potenziometro però non saprei come implementarlo nel circuito dato che fino ad ora ho usato la retroazione solo sugli opamp che sono molto più "ideali" di uno stadio a catodo comune.
Potreste aiutarmi?
Lo schema dello stadio è base ma lo posto comunque per completezza:
PS: dimenticavo di dire che l'uscita dello stadio va in ingresso ad un altro stadio analogo


(quasi quasi adesso ci rimetto mano... ma no, ho chiuso con le valvole e con l'autocostruzione