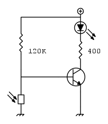
Partitore con fotoresistenza
ho una fotoresistenza di 10 kohm al buio e 2 kohm alla luce, voglio realizzare un partitore tra essa ed una resistenza R tale che al buio mi mandi in saturazione un transistor npn sulla cui uscita è collegato un diodo led.
Sapreste dirmi come devo calcolare il valore della resistenza in modo tale che quando oscuro la fotoresistenza il led si accende ? e quindi la v sulla base del transistor scende a valori prossimi a zero ?
Sapreste dirmi come devo calcolare il valore della resistenza in modo tale che quando oscuro la fotoresistenza il led si accende ? e quindi la v sulla base del transistor scende a valori prossimi a zero ?



